EasyManua.ls Logo

Hydrotec HYDROWELL Compact E Series - Page 30

Hydrotec HYDROWELL Compact E Series
37 pages
Print Icon
To Next Page IconTo Next Page
To Next Page IconTo Next Page
To Previous Page IconTo Previous Page
To Previous Page IconTo Previous Page
Loading...
P a g e 30 | 38
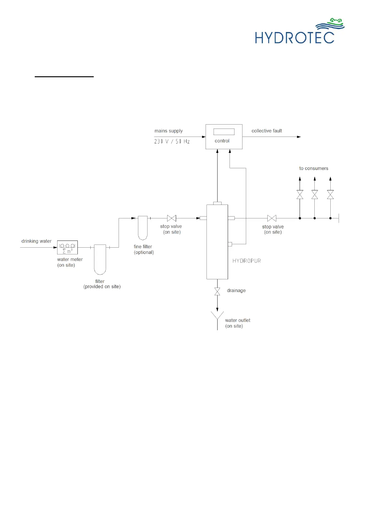
Appendices 1:
Installation Schematic UV Disinfection System

Related product manuals