EasyManua.ls Logo

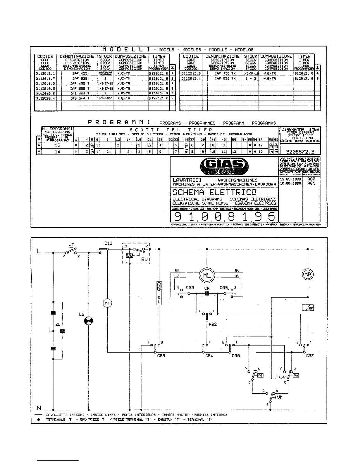
Iberna LBIAF655T - Electrical Schematic and Timer Diagrams; Appliance Electrical Schematic; Timer Program Sequence Chart

Iberna LBIAF655T
24 pages
Print Icon
To Next Page IconTo Next Page
To Next Page IconTo Next Page
To Previous Page IconTo Previous Page
To Previous Page IconTo Previous Page
Loading...