EasyManua.ls Logo

IBM Power 720 Express 8202-E4C - Page 32

IBM Power 720 Express 8202-E4C
336 pages
Print Icon
To Next Page IconTo Next Page
To Next Page IconTo Next Page
To Previous Page IconTo Previous Page
To Previous Page IconTo Previous Page
Loading...
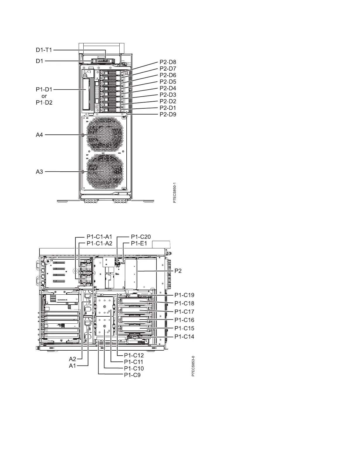
Figure 12. Stand-alone front view
Figure 13. Stand-alone side view
20 Finding parts, locations, and addresses

Table of Contents

Other manuals for IBM Power 720 Express 8202-E4C

Related product manuals