EasyManua.ls Logo

Ice-Tech 50C-CD 55 - Page 15

Default Icon
22 pages
Print Icon
To Next Page IconTo Next Page
To Next Page IconTo Next Page
To Previous Page IconTo Previous Page
To Previous Page IconTo Previous Page
Loading...
137
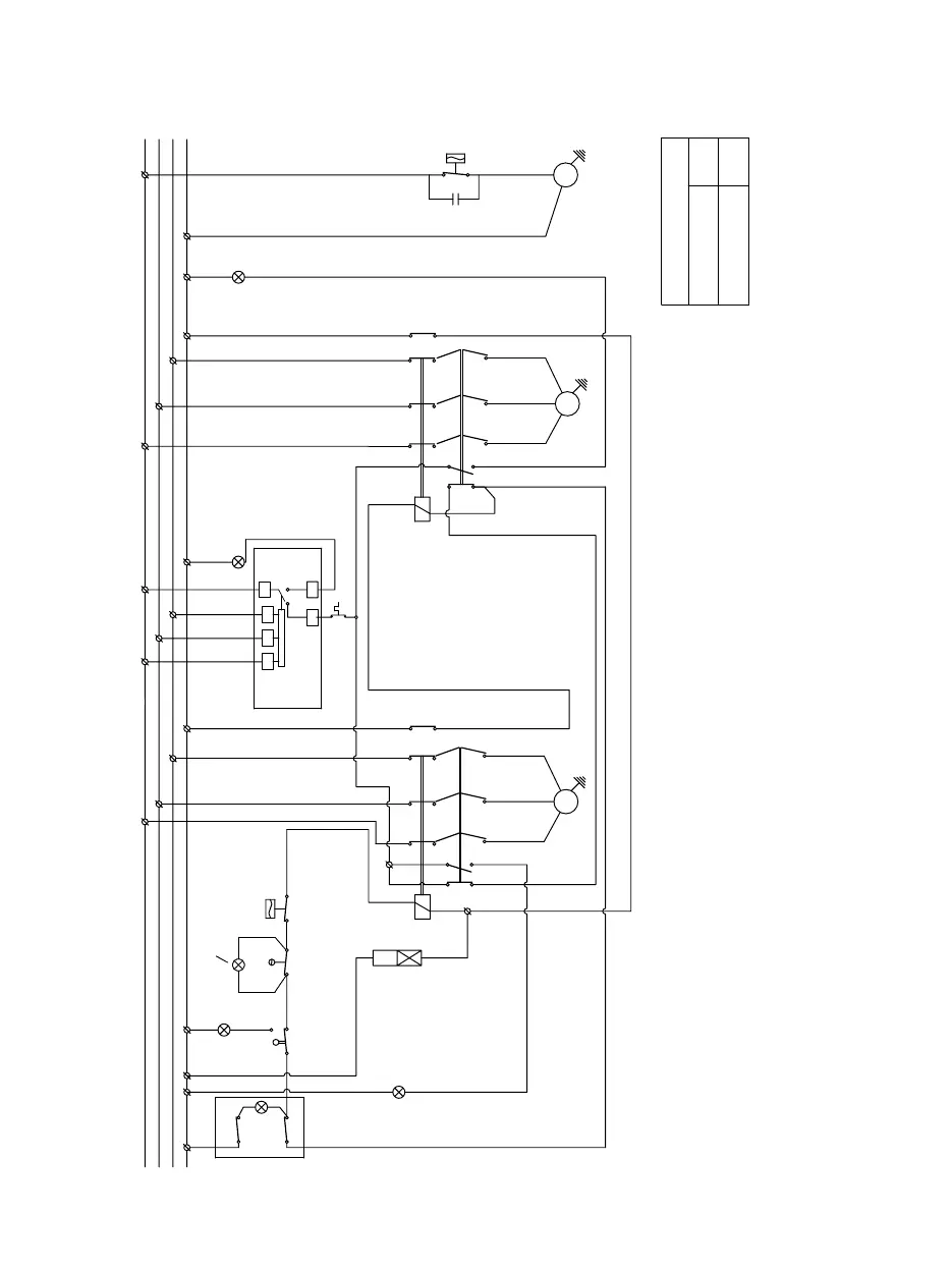
400/550-GR560 R404A TRIFÁSICA / 400/550-GR560 R404A TRIPHASE
-Termico compresor/Thermic compressor
-Detector de fase/Phase sequence relay
-Ambar llenado/ Yellow full
-Azul linea / Blue on
-Fase cambia/Phase sequence
-Contacto auxiliar autoalimentacion/Auxiliar contact feedback
-Termico Motorreductor/Thermic gearmotor
-Protector térmico motor/Motor thermal protection
-Motoreductor/Gearmotor
-Condensador filtro/Electrical interference filter (capacitador)
R.
L.
II
IV
III
V
2
Ca
DF.
1
Ca
I
Pt.
-Temporizador a la conexion/Start Timer
-Compresor/Compressor
-Interruptor de paro-marcha/On-off switch
-Paro por llenado/Full storage bin stop
-Presostato ventilador (sólo cond.por aire)/Fan Pressostat (only air cooled models)
-Contactor (Motorreductor)/Contact (Gearnotor)
-Contactor (Compresor)/Contact (Compressor)
-Micro boya falta de agua/Water low level float switch
-Presostato de seguridad/High pressure safety pressostat
Tem.
-Ventilador/Fan
Iw.
Ip.
Ps.
St.
c
1
V.
2
c
S.
Pv.
Pw.- Presostato de agua/Water pressostat
01/02/2011
1.3 A
3.6 A
REGULACION TERMICOS
MOTORREDUCTOR
GEARMOTOR
COMPRESOR
COMPRESSOR
OVERLOAD SETTING
Rojo/Red
Marrón/Brown
Marrón/Brown
Marrón/Brown
Negro/Black
Negro/Black
Gris/Grey
Violeta/Violet
Negro/Black
Marrón/Brown
Violeta/Violet
Negro/Black
Azul/Blue
Rojo
Agua
Red
Water
Marrón/Brown
Rojo/Red
Negro/Black
Marrón/Brown
Negro/Black
Rojo/Red
-Contacto auxiliar autoalimentacion/Auxiliar contact feedback
2
1
T
2
S
T
3
T
R
2
Ip
S
T
N
III
St
4
1 C
11
T
SR
14 12
DF
V
Iw-Pw
L
(1)
IV
Ps
98
96
I
1
L
L
2
97
L
3
63/NO
C
a1
14/22
c
Pt
Tem.
1
c
2
A
1
A
95
A
2
A
1
T
3
T
2
R
V
1
T
II
C
98
96
2
A
1
95
A
Pv
L
2
3
L
a2
C
63/NO
14/22
L
L
97
L
1
54
21