EasyManua.ls Logo

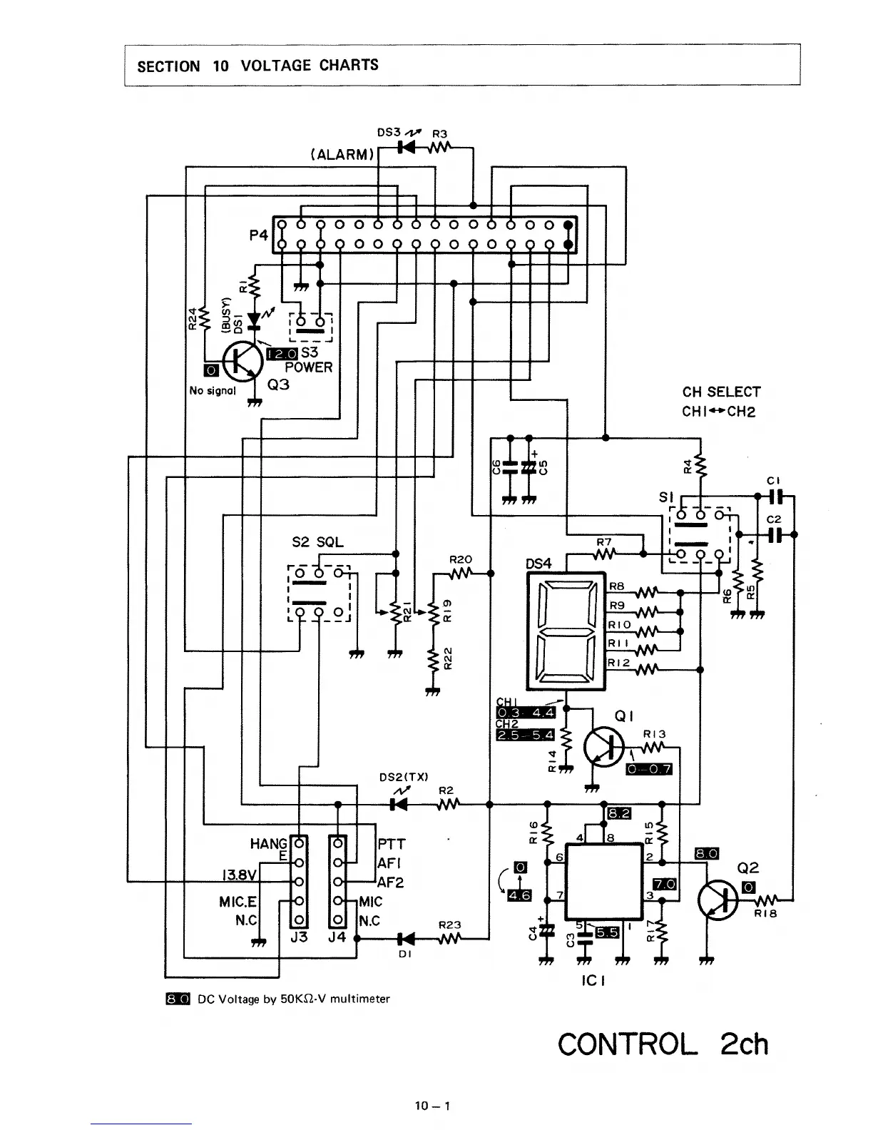
Icom IC-435 - Section 10 Voltage Charts; 2-Channel Control Unit Voltage Chart

Icom IC-435
102 pages
Print Icon
To Next Page IconTo Next Page
To Next Page IconTo Next Page
To Previous Page IconTo Previous Page
To Previous Page IconTo Previous Page
Loading...