EasyManua.ls Logo

Icom IC-H12 - Page 36

Icom IC-H12
50 pages
Print Icon
To Next Page IconTo Next Page
To Next Page IconTo Next Page
To Previous Page IconTo Previous Page
To Previous Page IconTo Previous Page
Loading...
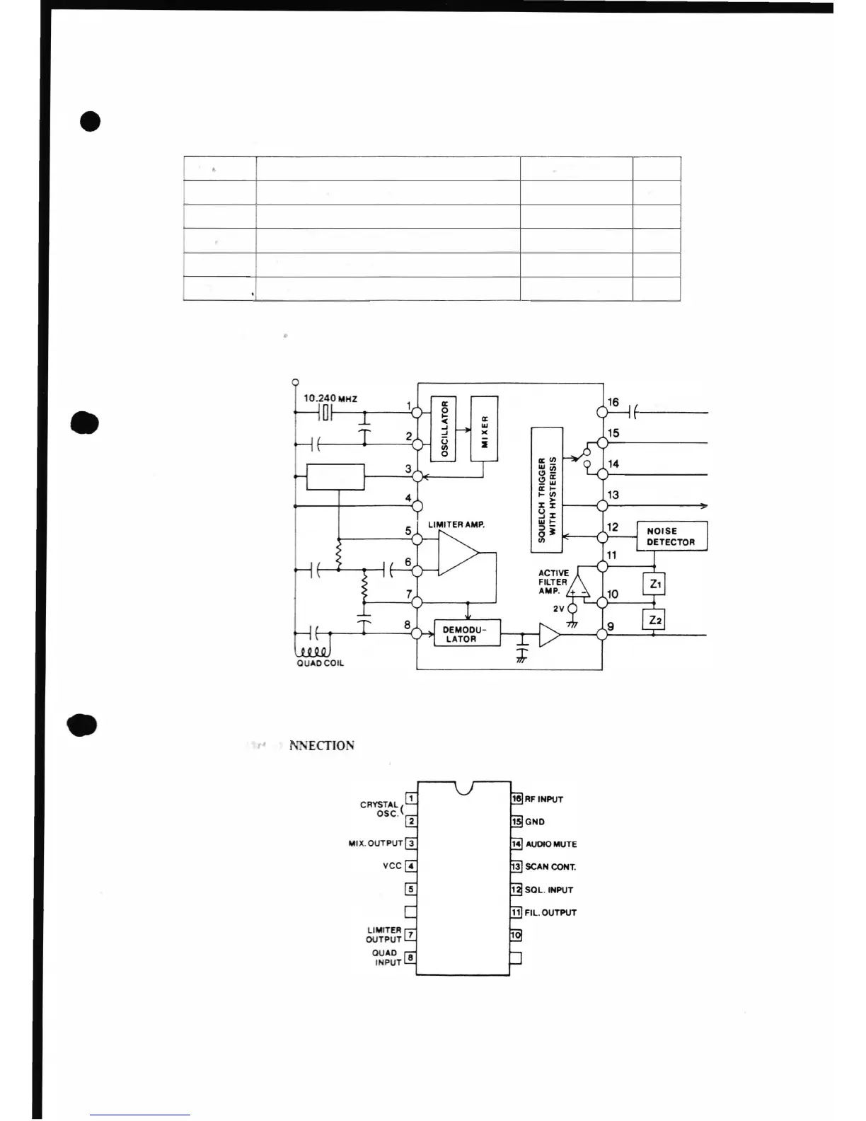
 (LOW POWER FM IF)
    














 






 



4 

 
 
 
 





oc
oc
 




Related product manuals