EasyManua.ls Logo

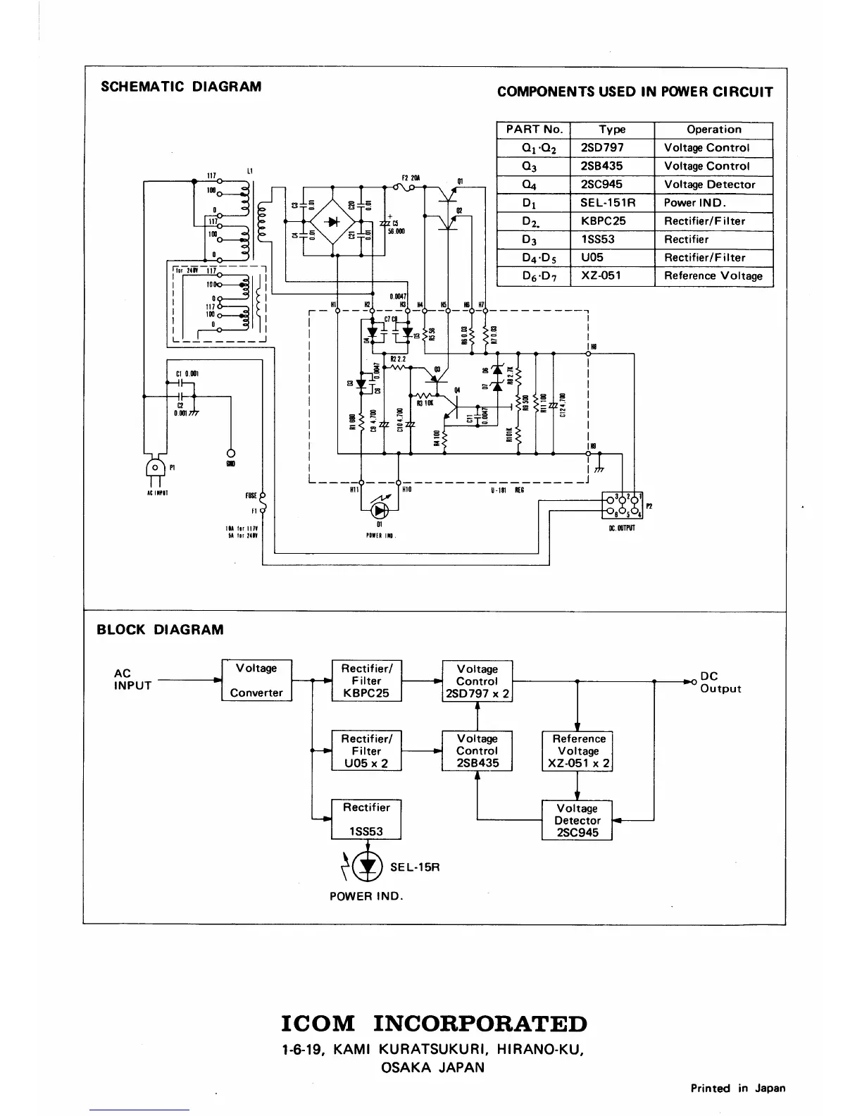
Icom IC-PS15 - Schematic Diagram; Block Diagram

Icom IC-PS15
4 pages
Print Icon
To Previous Page IconTo Previous Page
To Previous Page IconTo Previous Page
Loading...

Related product manuals