EasyManua.ls Logo

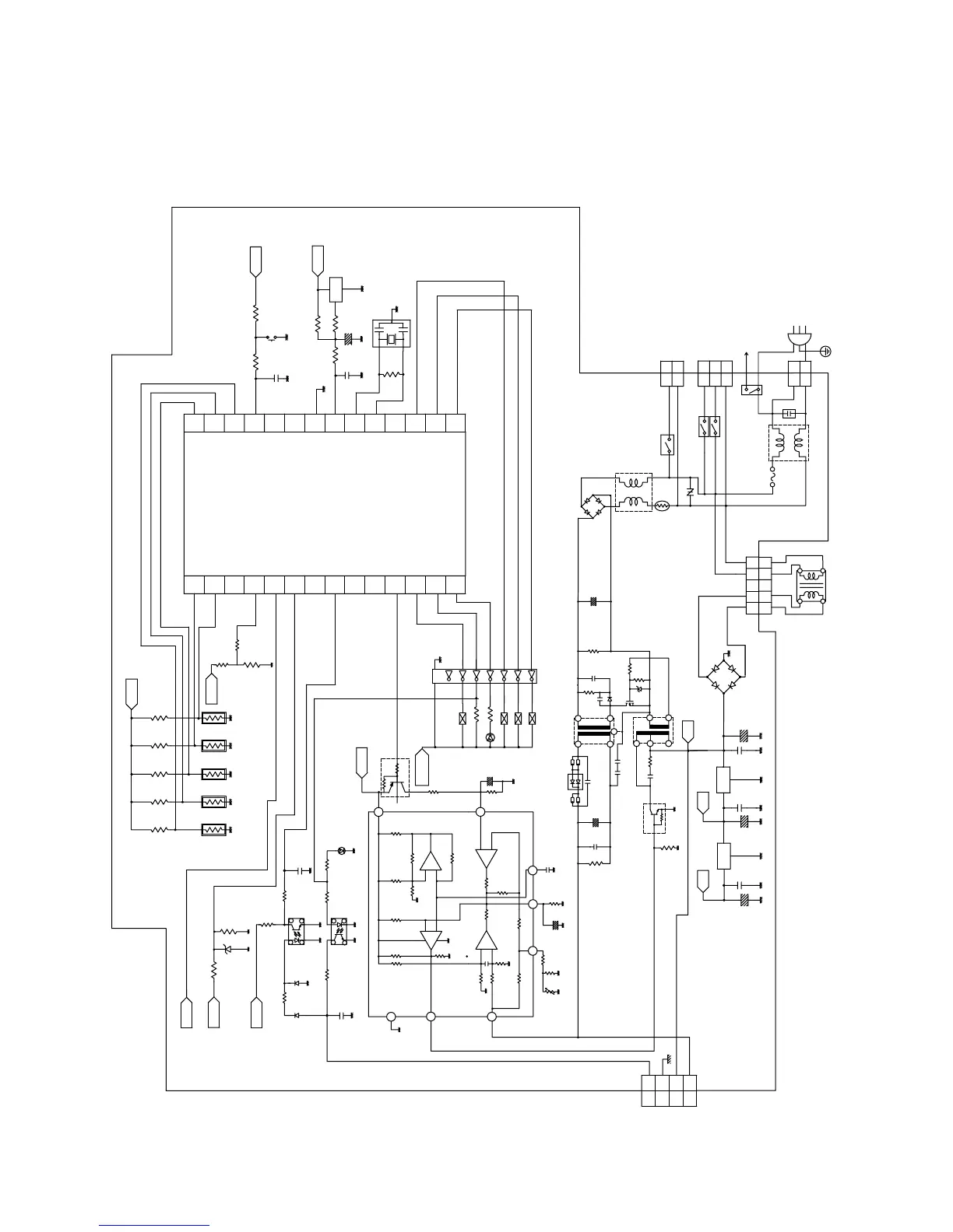
ICP HMC024KD1 - Outdoor Unit Schematic Diagram

ICP HMC024KD1
73 pages
Print Icon
To Next Page IconTo Next Page
To Next Page IconTo Next Page
To Previous Page IconTo Previous Page
To Previous Page IconTo Previous Page
Loading...
2. Outdoor Unit
- 60 -
3
2
1
IC9
IC10
5
TLP521-1BL
TLP521-1BL
CN-DC/DC
4
2
3
1
470uF
20V
C05
4
2
3
1
8
2
3
220
VR71
R75
23.2K
1%
2K
100uF
25V
C73
+
4
R74
5.1K
8
7
29.4K
20K
34K
1.06K
102
1
-
+
-
D92
C92
50V
1N4148
8
104
IC7
5.23K 13K3K
3
+
14
9
HCP6068
56
R95
D91
1N4148
3
4
2
1
2
1
3
4
2.7K
R92
DC 5V
DC 5V
DC 5V
ZD81
5.1V
R91
1K
6.8K
1%
R82
R81
XXX
1%
NTC1
DKS-80-13
ZNR1
INR14D471K
35V
2200uF
+
103
C06
470uF
25V
C03
+
104
C02
50V
103
C04
C01
+
C66
63V
2SD2220
680uF
IC3
7805
100K
R68
5V
O
I
10K
R64
Q62
C67
100V
473K
+
R67
I
1.5K
7812
IC2
O
12V
103K
100V
C60
4 9
17V
102J,100V
C69C68
821K,1KV
C65
2
3
7
ST2
8
4
4
POWER TRANS
9 1
356 4
7
56 34
1
3
CN-TRANS
1
S1VB60
BD01
C62
1KV
222K
R65
D61 ERB44-08
30,1W
Q61
2SK2671
ZD61
12V
R66
200
101K
1KV
C63
68K
3W
R63
R62
1/2W
560K
100uF
+
C61
450V
AC230V/60Hz
FUSE
250V/3.15A
150-F06M
COIL1
CN-POWER
11
G4A-1A
RY-COMP
WXE-334K
N/FILTER1
33
RY-FAN,4WAY,HEATER
RY-4WAY,G5N-1A
RY-HEATER
RY-FAN
G5N-1A
COIL2
LS404060
CN-4WAY
CN-FAN
3
4
3
4
11
3
1
3
1
GMS81C1408SK(HYUNDDAI:8K)
TMR20V/RB7
SRDYIN/SRDYOUT/RC3
AN0/Aref/RB0
PWM0/COMP0/RB4
PWM1/COMP1/RB5
R97 1K
RY-HEATER
RY-COMP
RY-FAN
R96 620
RY-4WAY
10
6
100V
102J
C72
R73
13K
1%
1
6.04K
22
51.1K
2
-
4
5
-
+
L61
L62
FMX12S
L63
L64
D62
11
ST1
2
100Uf
R72
11K
1%
C71
+
25V
10.2K
1%
LED92
7
21.5K
39.2K
35.7K
+
11
4.3K
13
103
C91
R94
180
R93
390
1K
R90
LED91
DC12V
KRA102M
DC 5V
R71
Q71
13
9 9
8
15
16
2
1
12
13
14
11
4
3
5
6
MICOM
14
IC01M
KID65004APKID65004AP
11
12
10
EC1/RB6
8
9
6
7
INTO/RB2
INT1/RB3
BUZ/RB2
12.1K
R27
1%
OR7
OR8
1%
XXX XXX
1%
R28
12.1K
1%
OR5
OR4 OR6
XXX
1%
XXX
1% 1%
XXX
12.1K
R25
R24
12.1K
1%
12.1K
1% 1%
R26
DC 5V
TH1
1K
R32H
R31H
12.1K
2
4
5
3
AN7/RA7
Vdd
AN6/RA6
AN5/RA5
1
AN4/RA4
DC 5V
+
R02A
10K
16
BD61
U4SBA60
RC4/SCK
RC5/SIN
15
21
17
19
18
20
23
22
Xout
RC6/SOUT
RD2
Xin
RD0/INT2
RESET
Vss
R01B 1M
R01A
C01A
103
1K
50V
CST-4.00MTW
OSC01B
7036P
R03A
100
C02A
10uF
IC4
DC 5V
25
24
26
28
27
RD1/INT3
RA0/EC0
RA1/AN1
RA2/AN2
RA3/AN3
10K
C11H
103
R11H
10K
KEY
TEST
R12H
DC 5V

Related product manuals