EasyManua.ls Logo

ICP HMH024KD1 - Page 14

ICP HMH024KD1
73 pages
Print Icon
To Next Page IconTo Next Page
To Next Page IconTo Next Page
To Previous Page IconTo Previous Page
To Previous Page IconTo Previous Page
Loading...
- 14 -
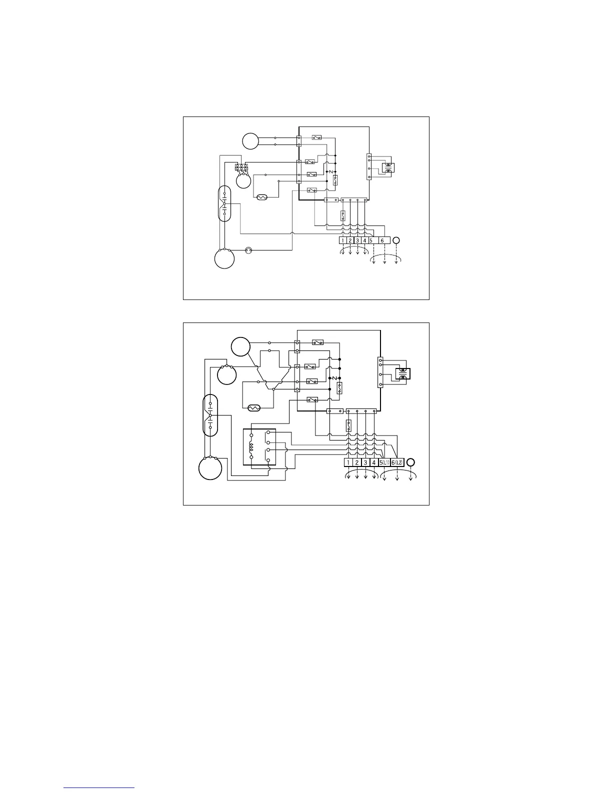
Cooling & Heating Models
1. 9K, 12K
2. 18K, 24K
4WAY-
VALVE
BK
RD
RY-4WAY
BL
BL
BK
BK
FUSE
3.15A
RY-FAN
RY-HEATER
ZNR
CN-DC/DC
RY-COMP
34
MAIN P.C.B
BK
YL
MOTOR
RD
BL
RD
BR
BL
RDBR
O.L.P
BL
TERMINAL
BLOCK
TO INDOOR UNIT
POWER
INPUT
3854A30077WOUTDOOR WIRING DIAGRAM
RD BR BK BL
WHWH
G
WH
WH
H
F
C
CAPACITOR
COMP.
R
C
YLBR
S
CRANK
CASE
HEATER
CN
-
4WAY
CN-TRANS
TRANSFORMER
CN
-
FAN
T/B 3
T/B 1
T/B 2
T/B 4
CN
-
POWER
FUSE
2.5A
(
N
)(
L
)
4WAY-
VALVE
BK
RD
RY-4WAY
BL
BL
BK
BK
FUSE
3.15A
FUSE
2.5A
RY-FAN
RY-HEATER
ZNR
CN-DC/DC
RY-COMP
34
MAIN P.C.B
BK
BK
MOTOR
YL
OR(BR)
RD
BK
BR
BR
BR
BL
RD
BL
BL
1
8
6
4
2
0
BL
TERMINAL
BLOCK
TO INDOOR UNIT
POWER
INPUT
3854AR7077MOUTDOOR WIRING DIAGRAM
RD BR BK BL
WHWH
G
WH
WH
H
F
C
CAPACITOR
COMP.
R
C
YLBR
S
CRANK CASE
HEATER
CN
-
4WAY
CN-TRANS
TRANSFORMER
CN
-
FAN
T/B 1
T/B 3
T/B 4
T/B 2
CN-POWER

Related product manuals