EasyManua.ls Logo

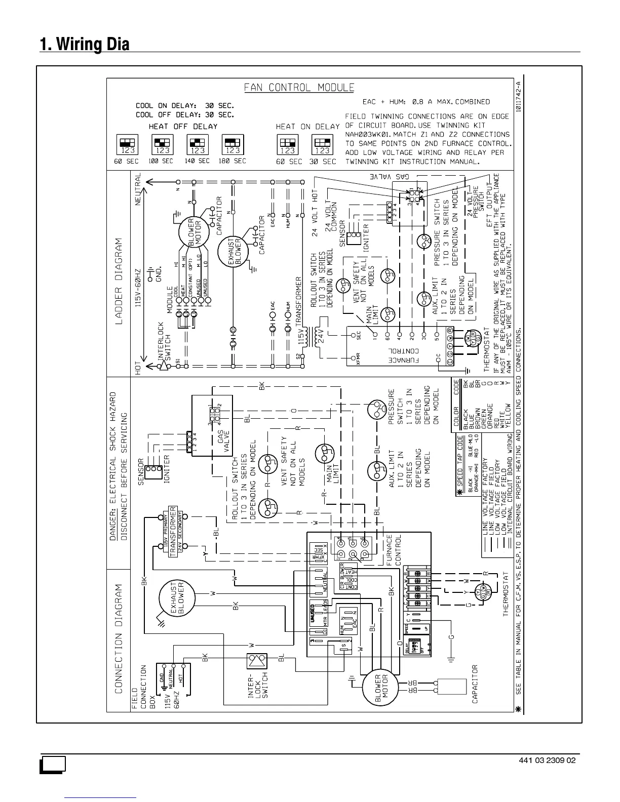
ICP NTC6050FBA1 - Furnace Wiring Diagrams; Field Connection Diagram; Ladder Diagram

ICP NTC6050FBA1
16 pages
Print Icon
To Next Page IconTo Next Page
To Next Page IconTo Next Page
To Previous Page IconTo Previous Page
To Previous Page IconTo Previous Page
Loading...
   
 :LULQJ 'LDJUDP

Related product manuals