EasyManua.ls Logo

ICStation EQKIT - Schematic Diagram; Component List (BOM)

Default Icon
3 pages
Print Icon
To Next Page IconTo Next Page
To Next Page IconTo Next Page
To Previous Page IconTo Previous Page
To Previous Page IconTo Previous Page
Loading...
www.amazon.com/shops/icstation
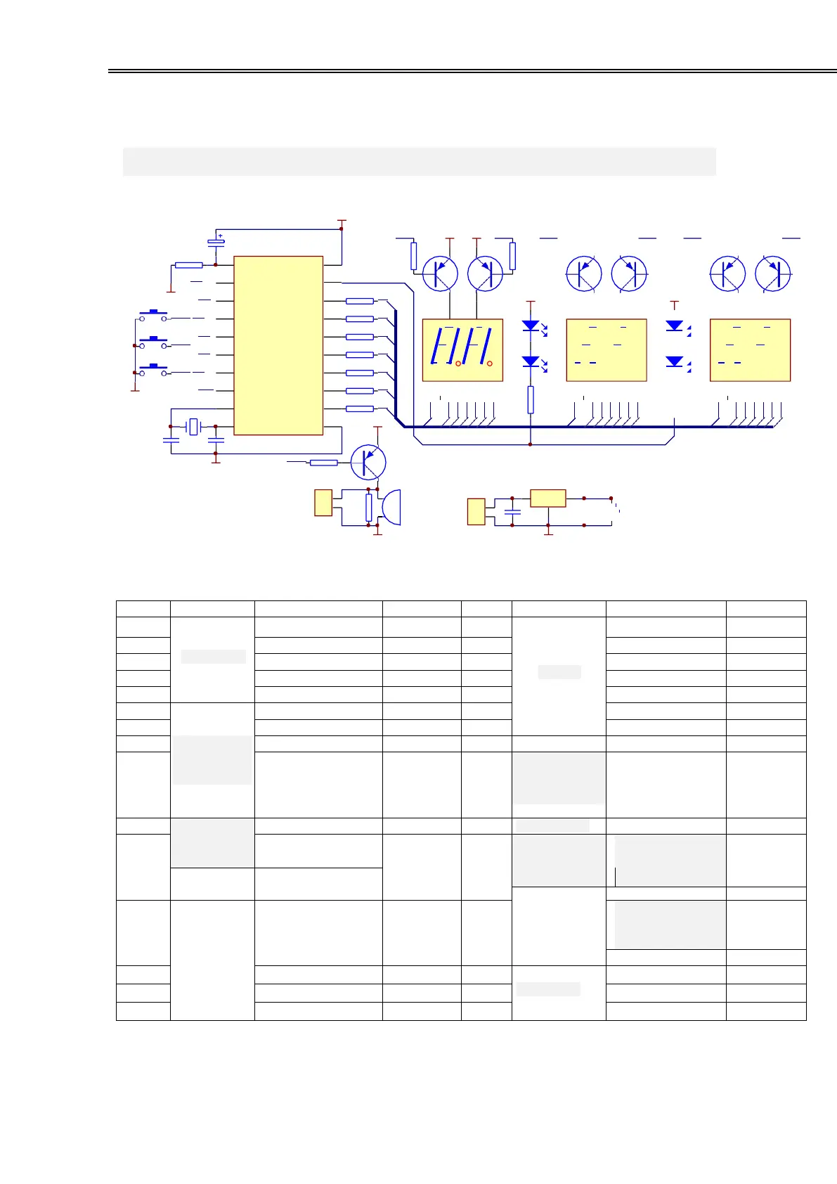
schematic diagram
+5V
R7
1K
BOM:
GND
GND
No
name
Type/value
grade
No
Name
grade
01
resistance
1K
R9~R15
20
audion
Q1
02
1K
R2~R8
21
Q2
03
2K
R16~R17
22
Q3
04
5.1K
R18
23
Q4
05
10K
R1
24
Q5
06
ceramic
capacitor
30P
C2
25
Q6
07
30P
C3
26
Q7
08
104
C4
27
MCU
U1
09
104
C5
28
voltage
regulator
U2
10
electrolytic
capacitor
10uF/25V
C1
29
Quartz crystal
Y1
11
100uF/16V
C6
30
connector
socket
5.XH2.54
horizontal type
J2
12
LED
Φ3 红发红
D1
31
6.XH2.54
vertical type
J1
13
Φ3 red
D2
32
tuch-button
S1
14
Φ3 red
D3
33
S2
15
Φ3 red
D4
34
S3
A3 4 C
A4 6 B
A5 7 A
10
A6 8 F
A7 9 G
A1 1 D
1
G
10uF
R1
C1
U1
RET
D2
+5V +5V D6
D1
+5V +5V D3
D5
+5V +5V D4
R2
1K
8550
8550
R3
1K
R4
1K
8550
R5
1K
R6
1K
8550
8550
1
VCC
20
10K
D6 2
RXD P3.0
P1.7
19
Q1
Q2
Q3
Q4
Q5
Q6
GND D5 3
S1
TXDP3.1
P1.6
D3 D3 6
INT0P3.2
P1.5
S2
D4 7
S3
T1 P3.5
P1.2
18
R9
17
R10
16
R11
15
R12
14
R13
13
R14
12
R15
10
A1
+5V
PNP +5V
A2
DS1
D1
DS2
D3
LED
DS3
D2
INT1P3.3
P1.4
A3
D2 8
T0 P3.4
P1.3
A4
LED
D2
D1 D1 9
A5
D4
LED
A8 11
GND
P3.7
P1.1 A1(+)
A6
4
LED
R16
2K
R17
2K
Y1
X1
P1.0 A1(-)
A7
5
C2
30P
X2
GND
+5V
12MHz
C3
AT89C2051
30P
A8
Q7
8550
GND
1K
R8
J1
U3
2
U2
78L05
I
C4
104
+5V
J2
3
BUZ
0
CON2
R18
5.1K
C5
104
C6
100uF
CON2
a a
f
g b
f
g b
e
d
ce
d
c
dp dp
a a
f
g b
f
g b
e
d
ce
d
c
dp dp
a a
f
g b
f
g b
e
d
ce
d
c
dp dp
2
1
2
1
A1 1 D
2 DP
A2 3 E
5
A3 4 C
A4 6 B
A5 7 A
10
A6 8 F
A7 9 G
A1 1 D
2 DP
A2 3 E
5
2 DP
A2 3 E
5
A3 4 C
A4 6 B
A5 7 A
10
A6 8 F
A7 9 G