EasyManua.ls Logo

INAC AH-521 - Page 39

Default Icon
44 pages
Print Icon
To Next Page IconTo Next Page
To Next Page IconTo Next Page
To Previous Page IconTo Previous Page
To Previous Page IconTo Previous Page
Loading...
Instructions Instrucciones Gebrauchs Instructions
INAC Electrónica para radiocomunicaciones P.O. 3101 50080 Zaragoza España
Tel. +34 976 322 822 http://inac-radio.com e-mail: inac@inac-radio Pág.: 39
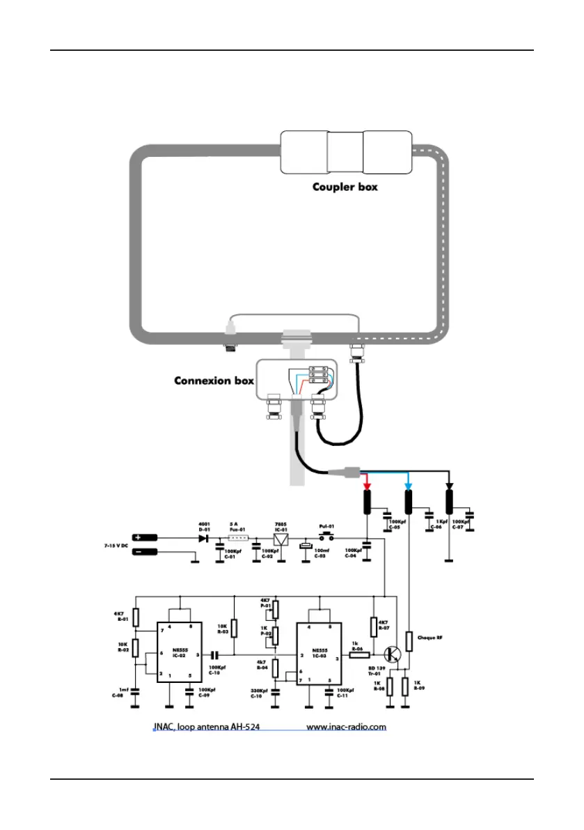
Diagramme Dantenne