EasyManua.ls Logo

industrie technik DB-TA-33A - Parameter Settings - Continued; Manual Reset; Temperature Correction; Regulation Method Selection

industrie technik DB-TA-33A
12 pages
Print Icon
To Next Page IconTo Next Page
To Next Page IconTo Next Page
To Previous Page IconTo Previous Page
To Previous Page IconTo Previous Page
Loading...
3
(1) DB-TA-33A-13A (1) DB-TA-33A-13A
Fig. 1 Fig. 2
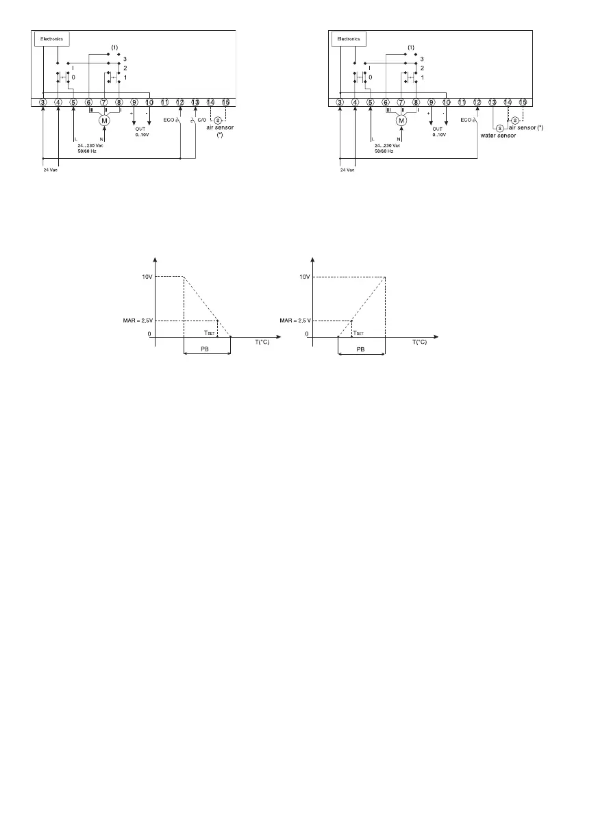
MAr Manual reset:
Changing the value of this parameter it is possible to move the proportional band around the setpoint. The unit is in
volt.
Setting range:
0,0...10,0 Volt default value: 5,0Volt
reverse
action
direct
action
COr Correction of temperature:
It allows to add a value to the measured temperature to increase precision (let the unit switch on for 45 minutes before
setting the parameter when the internal sensor is used)
Setting range:
-5,0...5,0°C default value: 0,0°C
PoE Method of regulation:
It denes if unit operates with PI or P regulation or if the unit operates in manual test mode for doing some test
on the system to regulate in open loop mode. This type of test can be used only if one has a measuring system for
temperature. In order to see how to use this parameter see APPENDIX 2, page 9, method 3.
Setting range:
0...10,0V -> manual operating
Pi -> proportional integral regulation default value: Pi
SoC Economy setpoint for cooling:
It denes the setpoint for economy function in cooling mode independently of main setpoint (SEt).
The unit works with main setpoint if the contact ECO connected between terminals 3 and 12 is open. If contact is
closed, the unit works with economy cooling setpoint if cooling mode is selected.
Setting range:

6,0...45,0 °C default value: 25,0 °C
SoH Economy setpoint for heatin:
It denes the setpoint for economy function in heating mode independently of main setpoint (SEt).
The unit works with main setpoint if the contact ECO connected between terminals 3 and 12 is open. If contact is
closed, the unit works with economy heating setpoint if heating mode is selected.
Setting range:

6,0...45,0 °C default value: 15,0 °C
SLC Cooling limit:
If water temperature sensor drops below the limit SLC, cooling is the working season if parameter Sta=rEM
Setting range:
0,2,,,21,0 °C default value: 21,0 °C
SLH Heating limit:
If water temperature sensor reaches the limit SLH, heating is the working season if parameter Sta=rEM
Setting range:
22,0,,,75,0 °C default value: 30,0 °C
Note: when unit is powered on, if water sensor is between SLC and SLH, heating is the working season if Sta=rEM
vi5 Type of sensor visualized: Ai”… “ Li
ui5 = “ Ai” -> air sensor visualized