EasyManua.ls Logo

Inovance MS1H1-10B30CB - Flange Frame Size: 80

Inovance MS1H1-10B30CB
56 pages
To Next Page IconTo Next Page
To Next Page IconTo Next Page
To Previous Page IconTo Previous Page
To Previous Page IconTo Previous Page
Loading...
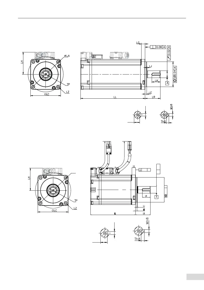
3 Mounting Dimension Diagrams
- 44 -
3.3 Flange Frame Size: 80
Terminal-type motor
øS h6
0
-0.013
øLB h7
0
-0.030
KW N9
KH
shaft end diagram keyed shaft end
Lead wire-type motor
300 mm
300 mm
KH
KW N9
ØSh
0
-0.013
ØLB h7
0
-0.030
0.06
A
Ø0.04
A
ØLA
0.02
shaft end diagram keyed shaft end

Related product manuals