EasyManua.ls Logo

Insinger CA-3 - Page 33

Insinger CA-3
52 pages
Print Icon
To Next Page IconTo Next Page
To Next Page IconTo Next Page
To Previous Page IconTo Previous Page
To Previous Page IconTo Previous Page
Loading...
31
®
PART 6 PARTS & ASSEMBLIES
CA-3 & DA-3 Technical Manual 2018 www.insingermachine.com 800-344-4802
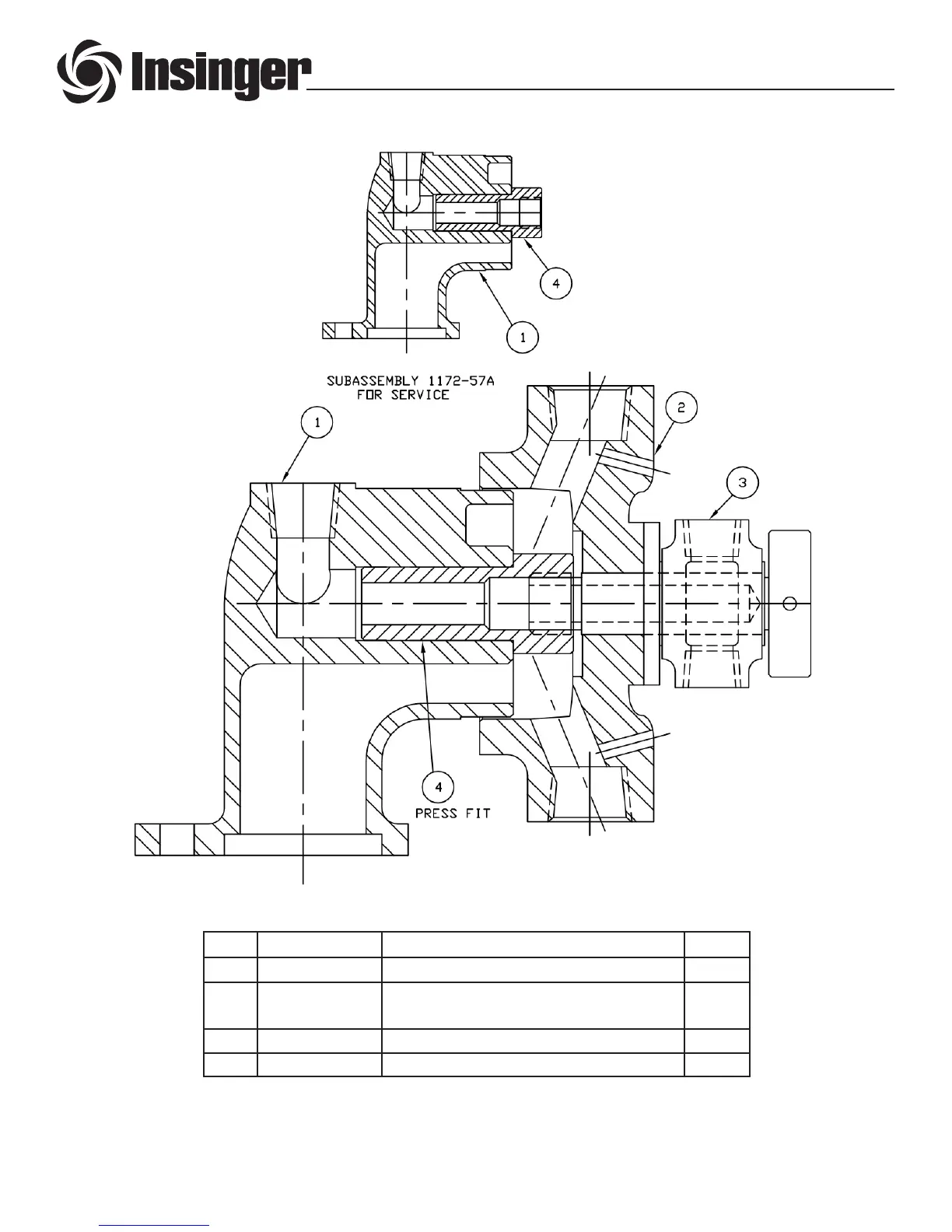
1172-57 : Lower Manifold Assembly
ITEM PART NO. DESCRIPTION QTY
1 1172-59 Upper Discharge Manifold 1
2 1172-70
1172-69
Wash Arm Hub with Bearing
Bearing (without Hub)
1
3 1172-73 Rinse Assembly 1
4 1172-62 Wash Arm Shaft 1
REV E - 06/05/98

Other manuals for Insinger CA-3