EasyManua.ls Logo

inventiv INV E1740 P - Page 31

Default Icon
Print Icon
To Next Page IconTo Next Page
To Next Page IconTo Next Page
To Previous Page IconTo Previous Page
To Previous Page IconTo Previous Page
Loading...
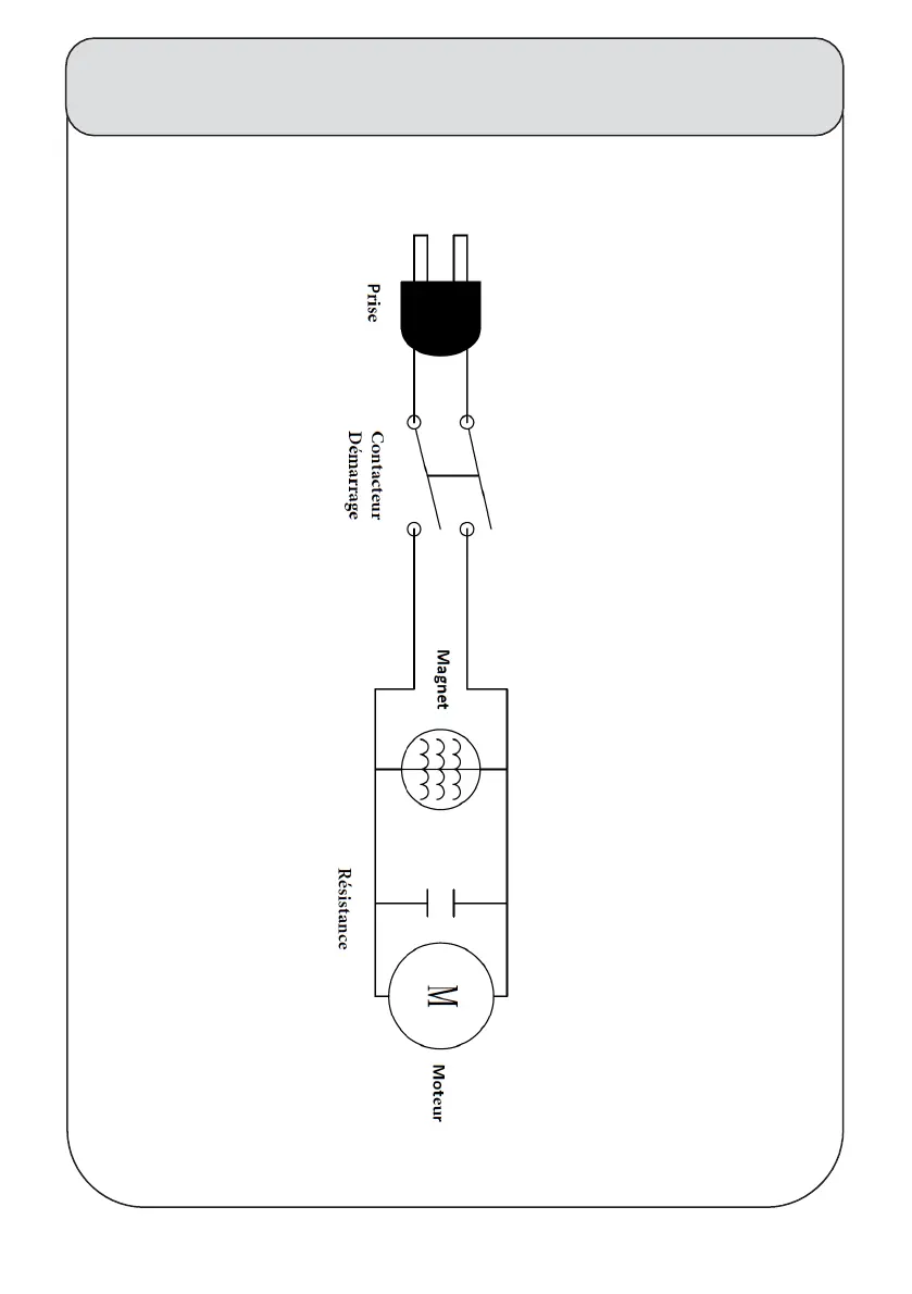
Schéma de câblage électrique B4044P2B
31

Related product manuals