EasyManua.ls Logo

ION TAPE 2 PC - Page 14

ION TAPE 2 PC
19 pages
Print Icon
To Next Page IconTo Next Page
To Next Page IconTo Next Page
To Previous Page IconTo Previous Page
To Previous Page IconTo Previous Page
Loading...
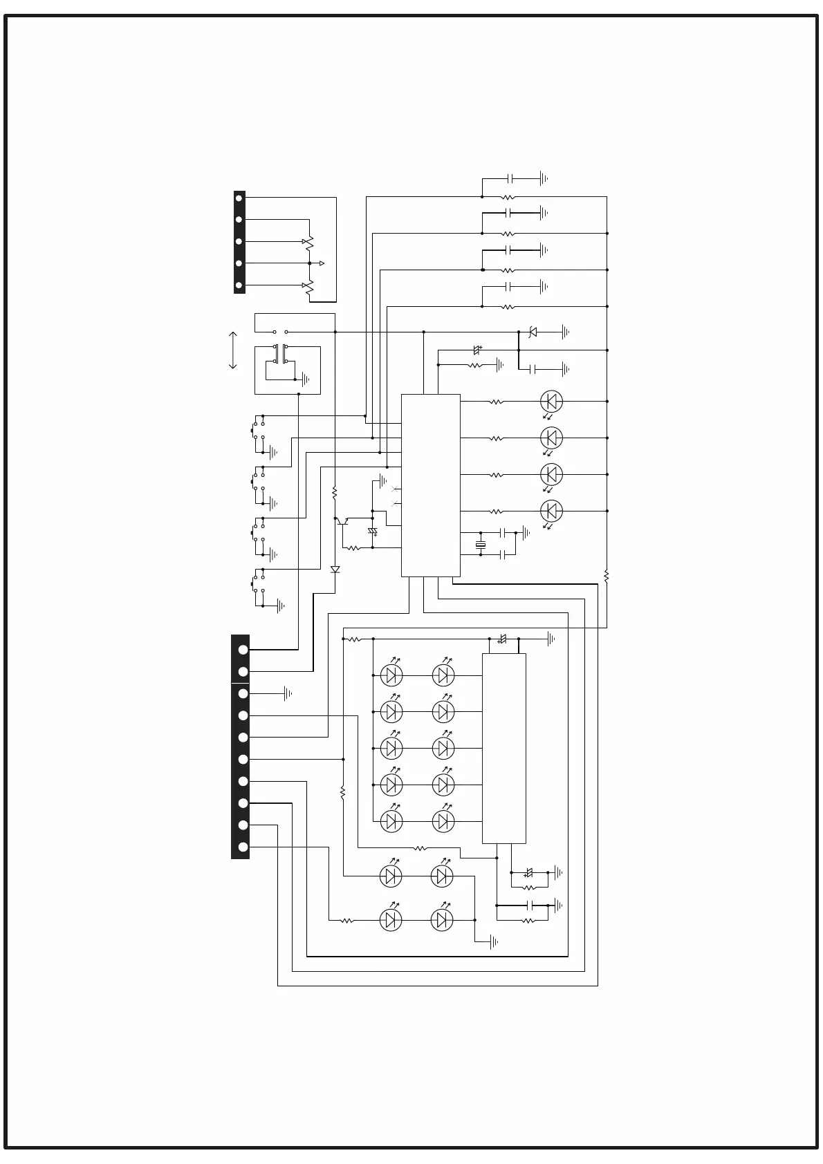
KF-YL-03
1
2
3
4
6
8
7
9
5
AN6884
IC4
AN6884
- +
LED9
(G-3MM)LED
- +
LED10
(G-3MM)LED
- +
LED11
(G-3MM)LED
- +
LED12
(R-3MM)LED
- +
LED13
(R-3MM)LED
- +
LED14
(G-3MM)LED
- +
LED15
(G-3MM)LED
- +
LED16
(G-3MM)LED
- +
LED17
(R-3MM)LED
- +
LED18
(R-3MM)LED
C66
10u16
R191
10K
C65
102
R127
10K
R125
1K
- +
LED5
(R-3MM)LED
- +
LED6
(G-3MM)LED
- +
LED7
(R-3MM)LED
- +
LED8
(G-3MM)LED
C64
220u16
R193
680
R192
680
R126
15R 1/4W
Z1
4MHz
C110
15P
C109
15P
R186
330
R189
330
R190
330
R187
330
-+
LED1
(G-3MM)LED
-+
LED2
(G-3MM)LED
-+
LED3
(R-3MM)LED
-+
LED4
(R-3MM)LED
R121
220R 1/4W
C67
10u16
R194
10K
C100
104
D23
5C2
R117
47K
R118
47K
R119
47K
R120
47K
C60
103
C61
103
C62
103
C63
103
AGND
SW5
TSAB-3(7MM)
SW4
TSAB-3(7MM)
SW2
TSAB-3(7MM)
SW3
TSAB-3(7MM)
REC
H-SP
R cro2
P cro3
+B
DUB
SG
GND
8
10
4
9
3
6
5
7
1
2
CN5
10P(2.5 )
KS
DNR
Q1
C2458
R13
220K
C98
0.47u 50
R20
10K
D14
IN4148
1
2
3
6
5
4
K1
SS-22F07-M9
OFF ON
DNR
P64
11
P65
12
P66
13
P67
14
GND
6
OSC- I
17
OSCO
16
P63
10
P62
9
P61
8
P60
7
P51
19
P52
2
P53
3
P54
4
VDD
15
RESET
5
P50
18
NC
20
NC
1
IC5
EM78P257BM
R/I L/I
R/O
L/O
VR1
RK14123004HA(5 0K)
5
3
1
4
2
CN6
5P(2.5)
12