EasyManua.ls Logo

IPC 161 B - Page 86

IPC 161 B
92 pages
Print Icon
To Next Page IconTo Next Page
To Next Page IconTo Next Page
To Previous Page IconTo Previous Page
To Previous Page IconTo Previous Page
Loading...
86
161D
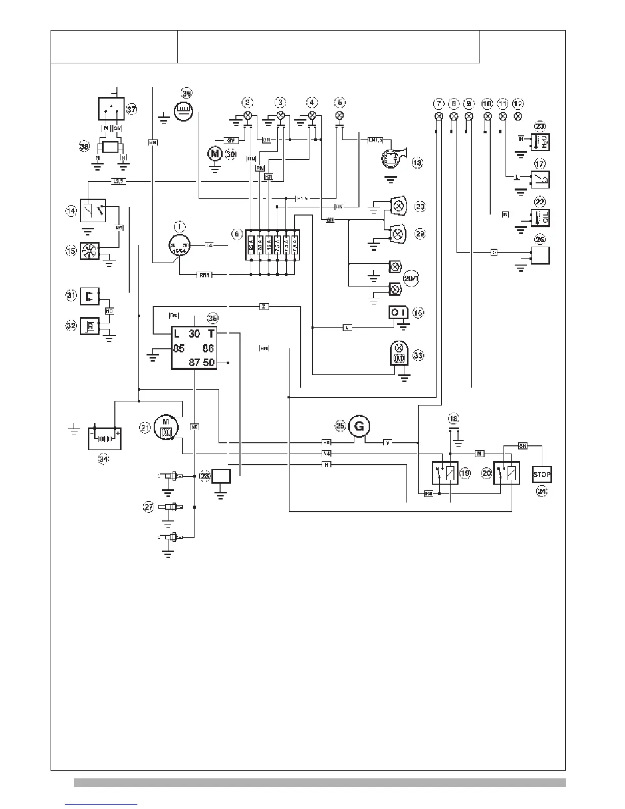
SCHEMA ELETTRICO - ELECTRIC WIRING SYSTEM
SYSTEME ELECTRIQUE - ESQUEMA ELECTRICO
H GRIGIO GREY GRIS GRAU GRIS
Z VIOLA VIOLET VIOLET VIOLETT MORADO
S ROSA PINK ROSA ROSA ROSA
B BIANCO WHITE BLANC WEISS BIANCO
L BLU BLUE BLEU BLAU AZUL
C ARANCIO ORANGE ORANGE ORANGE NARANJA
A AZZURRO PALE BLUE BLEU CLAIR HIMMELBLAU AZUL
BK NERO BLACK NOIR SCHWARZ NEGRO
RD ROSSO RED ROUGE ROT ROJO
RA ROSA PINK ROSA ROSA ROSA
BI BIANCO WHITE BLANC WEISS BIANCO
BU BLU BLUE BLEU BLAU AZUL
AZ AZZURRO PALE BLUE BLEU CLAIR HIMMELBLAU AZUL
BN MARRONE BROWN MARRON BRAUN MARRONE
V VERDE GREEN VERT GRUN VERDE