EasyManua.ls Logo

IPC 161 B - Page 88

IPC 161 B
92 pages
Print Icon
To Next Page IconTo Next Page
To Next Page IconTo Next Page
To Previous Page IconTo Previous Page
To Previous Page IconTo Previous Page
Loading...
88
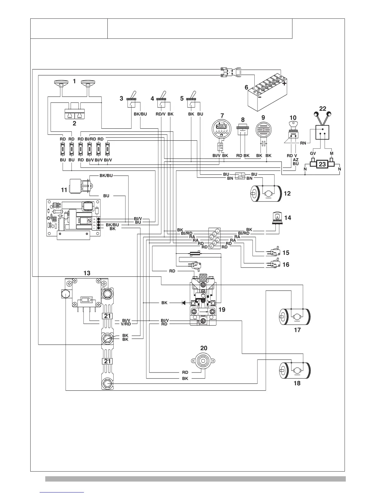
161E
SCHEMA ELETTRICO - ELECTRIC WIRING SYSTEM
SYSTEME ELECTRIQUE - ESQUEMA ELECTRICO