EasyManua.ls Logo

JBL Charge 2 Plus - Page 31

JBL Charge 2 Plus
49 pages
Print Icon
To Next Page IconTo Next Page
To Next Page IconTo Next Page
To Previous Page IconTo Previous Page
To Previous Page IconTo Previous Page
Loading...
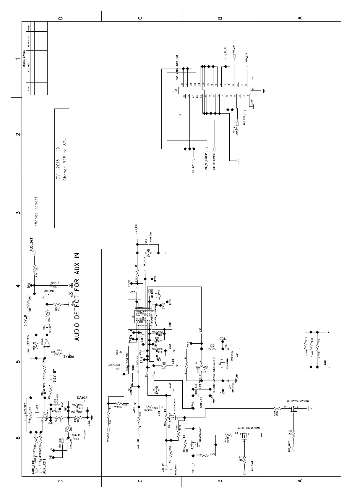
SCHEMATICS DIAGRAM

Related product manuals