EasyManua.ls Logo

JBS JBSPT150 - Exploded View - Table (Model 350); Model 350 Table Components

JBS JBSPT150
18 pages
Print Icon
To Next Page IconTo Next Page
To Next Page IconTo Next Page
To Previous Page IconTo Previous Page
To Previous Page IconTo Previous Page
Loading...
www.jbstools.com
14
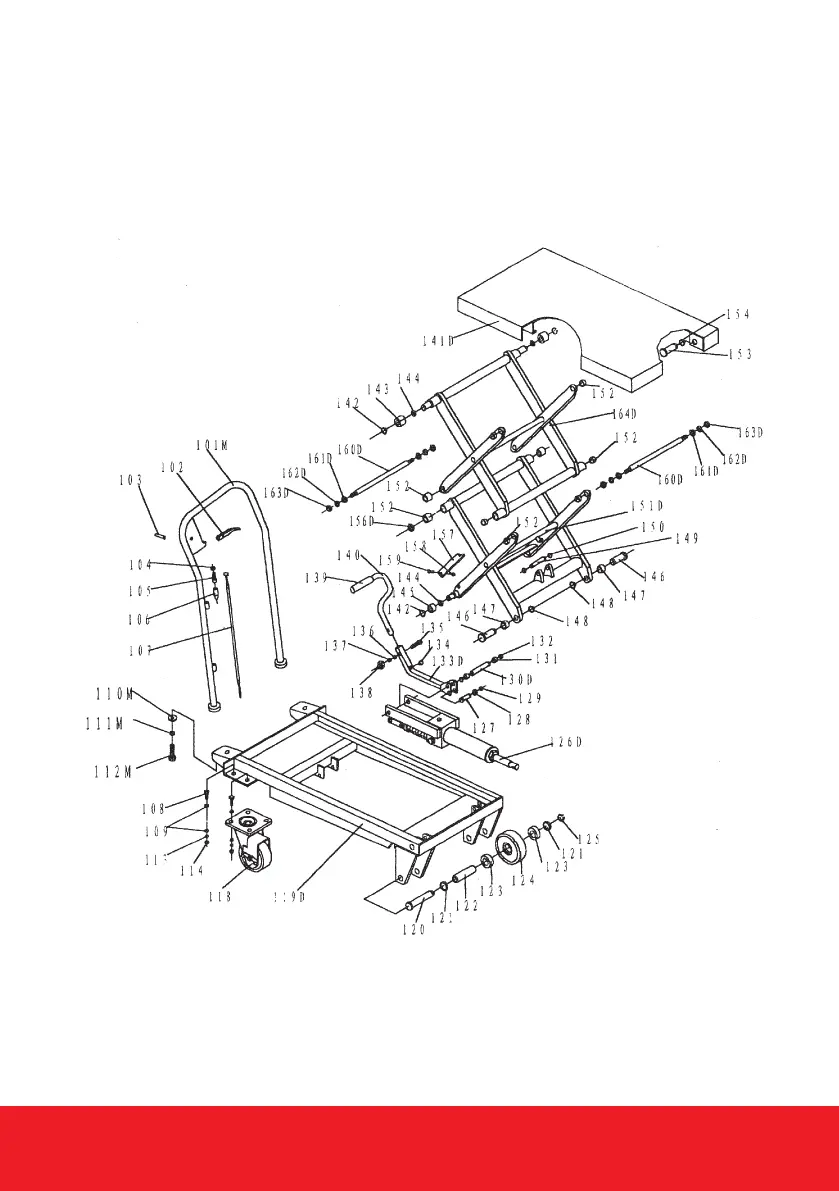
EXPLODED VIEW - TABLE
MODEL 350