EasyManua.ls Logo

Johnson JWAS12EINT - Page 163

Johnson JWAS12EINT
Print Icon
To Next Page IconTo Next Page
To Next Page IconTo Next Page
To Previous Page IconTo Previous Page
To Previous Page IconTo Previous Page
Loading...
Fixar a mangueira de drenagem na posição A ou posição B.
B
A
MAX 1000mm
Bancada
Mangueira de
drenagem
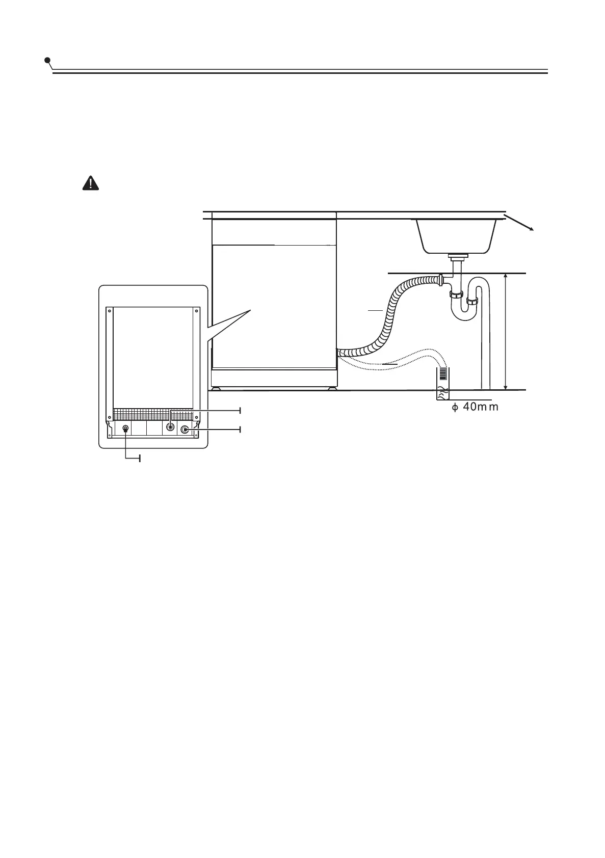
Ligar as mangueiras de drenagem
Ligar a mangueira de drenagem a um tubo de drenagem com um
diâmetro mínimo de 4 cm, ou deixá-la correr directamente para o dreno,
evitando dobrar ou torcer. A altura do tubo de drenagem deve ser inferior a
1000 mm. A extremidade livre da mangueira não deve ser submersa em
água para evitar o refluxo de água.
Drenagem do excesso de água das mangueiras
Se a ligação ao tubo de drenagem estiver posicionada acima de 1000 mm,
o excesso de água pode permanecer na mangueira de drenagem. Terá
então de drenar o excesso de água das mangueiras para um recipiente ou
contentor adequado que é mantido no exterior e mais baixo do que o
dreno.
Saída de água
Ligar a mangueira de drenagem. A mangueira de drenagem deve ser
correctamente colocada para evitar fugas de água. Certificar-se de que a
mangueira não é dobrada ou esmagada.
Mangueira de extensão
Se precisar de uma extensão de mangueira de drenagem, não se esqueça
de utilizar uma mangueira com características semelhantes. Não deve ser
superior a 4 metros, caso contrário, o efeito de limpeza da máquina de
lavar louça pode ser reduzido.
Ligação de sifão
A ligação de resíduos deve estar a uma altura inferior a 100 cm (máximo)
do fundo da máquina de lavar louça. A mangueira de drenagem de
água deve ser fixada.
Traseira da máquina
Entrada de água
Tubo de drenagem
Cabo de alimentação
19
V.1