EasyManua.ls Logo

Johnson JWAS14EINT - Page 115

Johnson JWAS14EINT
Print Icon
To Next Page IconTo Next Page
To Next Page IconTo Next Page
To Previous Page IconTo Previous Page
To Previous Page IconTo Previous Page
Loading...
Fixez le tuyau de vidange en position A ou en position B.
B
A
MAX 1000mm
Plan de
travail
Tuyau de
vidange
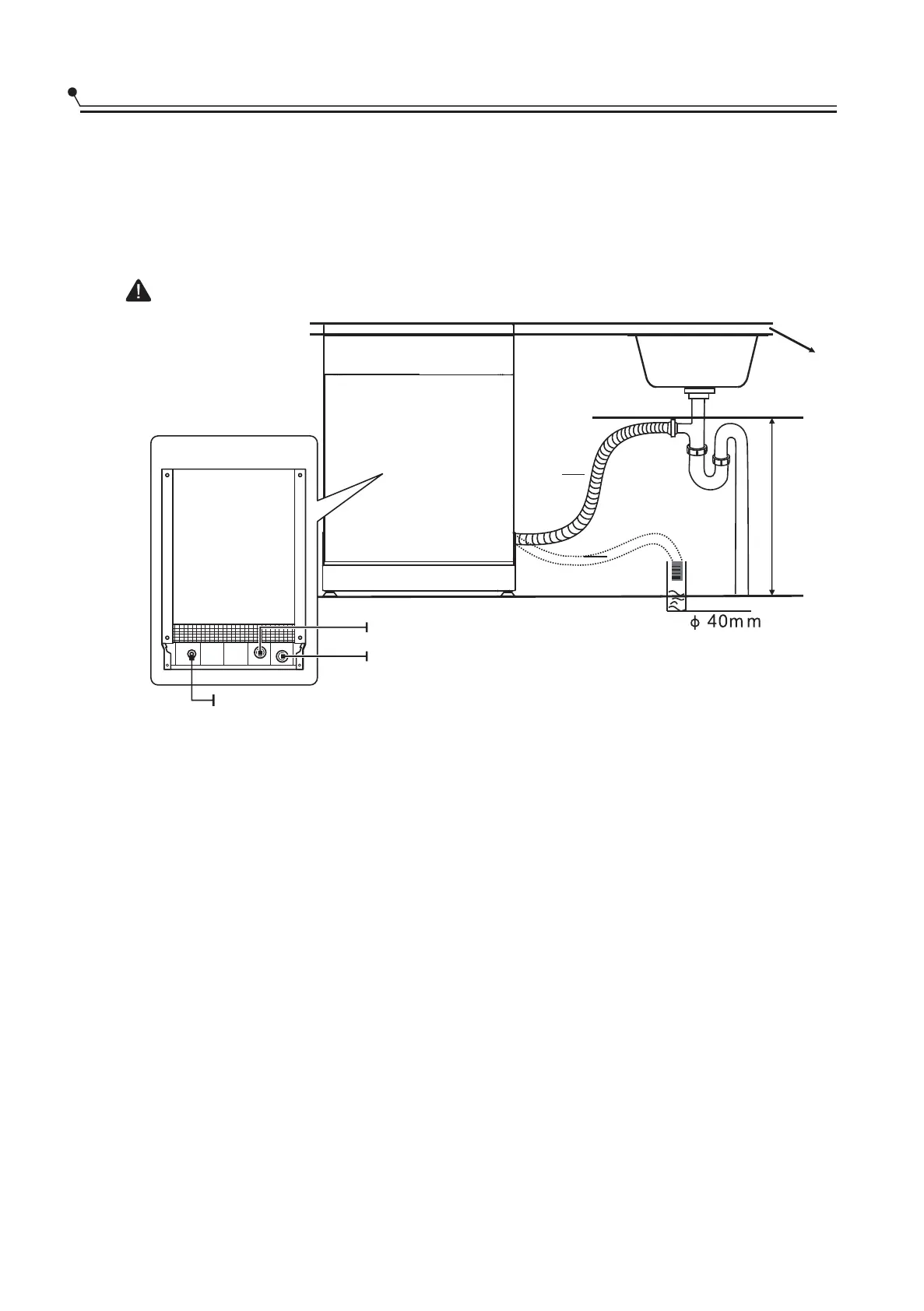
Raccordement des tuyaux de vidange
Raccordez le tuyau d'évacuation à un tuyau de drainage d'un diamètre
minimum de 4 cm, ou laissez-le couler directement dans l'égout, en évitant
de le plier ou de le tordre. La hauteur du tuyau d'évacuation doit être
inférieure à 1000 mm. L'extrémité libre du tuyau ne doit pas être immergée
dans l'eau pour éviter tout retour d'eau.
Vidange de l'excès d'eau des tuyaux
Si le raccordement au tuyau d'évacuation est placé à une hauteur
supérieure à 1000 mm, un excès d'eau peut rester dans le tuyau
d'évacuation. Vous devrez ensuite évacuer l'excès d'eau des tuyaux dans
un récipient ou une poubelle adaptés, placés à l'extérieur et plus bas que le
drain.
Sortie d'eau
Raccordez le tuyau de vidange. Le tuyau de vidange doit être
correctement installé pour éviter toute fuite d'eau. Assurez-vous que le
tuyau n'est pas plié ou écrasé.
Tuyau d'extension
Si vous avez besoin d'une extension du tuyau de vidange, veillez à utiliser
un tuyau ayant des caractéristiques similaires. Elle ne doit pas dépasser 4
mètres de long, sinon l'effet nettoyant du lave-vaisselle risque d'être réduit.
Raccordement du siphon
Le raccordement des déchets doit se trouver à une hauteur inférieure à
100 cm (maximum) du fond du lave-vaisselle. Le tuyau de vidange de l'eau
doit être fixé.
Partie arrière
Entrée d'eau
Tuyau d'évacuation
Câble principal
19
V.1

Related product manuals