EasyManua.ls Logo

Johnson JWAS14EINT - Page 19

Johnson JWAS14EINT
Print Icon
To Next Page IconTo Next Page
To Next Page IconTo Next Page
To Previous Page IconTo Previous Page
To Previous Page IconTo Previous Page
Loading...
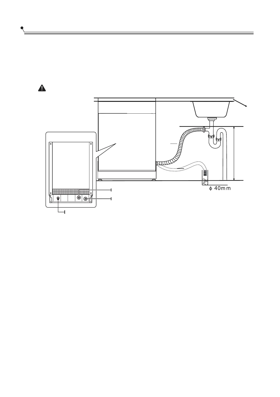
Conexión de las mangueras de drenaje
Fije la manguera de desagüe en la posición A o en la posición B.
B
A
MAX 1000mm
Encimera
Manguera
de desagüe
Conecte la manguera de drenaje en un tubo de desagüe con un diámetro
mínimo de 4 cm, o déjela correr en el desagüe directamente, evitando
doblarla o retorcerla. La altura del tubo de desagüe debe ser inferior a 1000
mm. El extremo libre de la manguera no debe quedar sumergido en agua
para evitar el reflujo de la misma.
Cómo drenar el exceso de agua de las mangueras
Si la conexión a la tubería de desagüe se coloca a una altura superior a
1000 mm, puede quedar agua sobrante en la manguera. Deberá entonces
drenar el exceso de agua de las mangueras a un recipiente o contenedor
adecuado que se mantenga fuera y más bajo que el desagüe.
Salida de agua
Conecte la manguera de desagüe. La manguera de drenaje debe estar
correctamente ajustada para evitar fugas de agua. Asegúrese de que la
manguera no queda doblada ni aplastada.
Manguera de extensión
Si necesita una extensión de la manguera de drenaje, asegúrese de usar
una manguera de características similares. No debe tener más de 4
metros de largo, de lo contrario el efecto de limpieza del lavavajillas podría
reducirse.
Conexión del sifón
La conexión de desechos debe estar a una altura de menos de 1000 mm
(máximo) del fondo del lavavajillas. La manguera de drenaje de agua debe
ser fija.
Parte trasera del lavavajillas
Entrada de agua
Tubo de desagüe
Cable red principal
19
V.1

Related product manuals