EasyManua.ls Logo

JOYEE M800 - Page 26

JOYEE M800
58 pages
Print Icon
To Next Page IconTo Next Page
To Next Page IconTo Next Page
To Previous Page IconTo Previous Page
To Previous Page IconTo Previous Page
Loading...
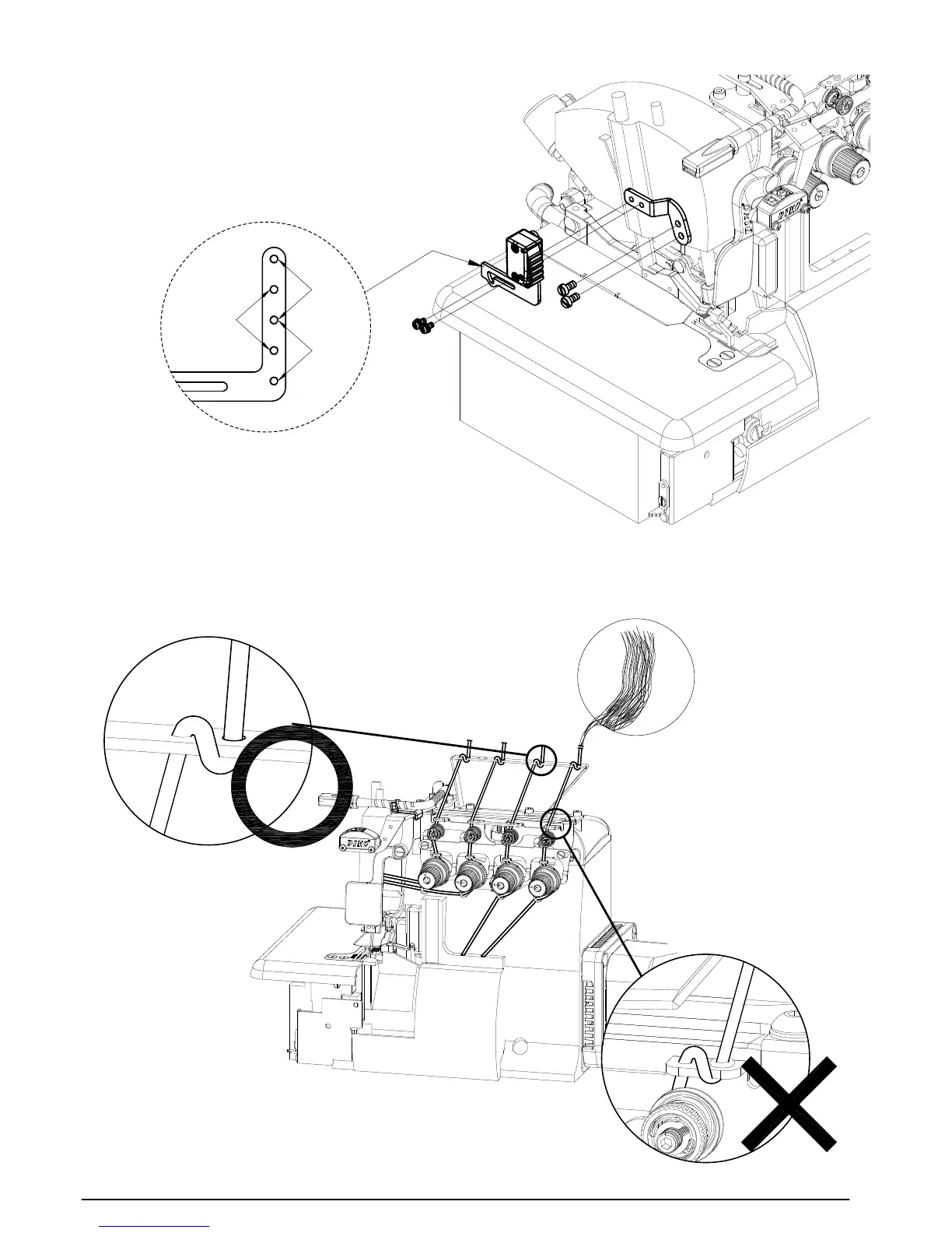
(B)將手動開關裝上
穿線示意圖
Assemble the manual switch.
Threading diagram
※Adjust the height base according to personal demand.
※可依喜好調整高低
(1). 建議用於絲線時
Suggest to use silk thread.
絲線
Silk thread

Related product manuals