EasyManua.ls Logo

JOYEE M800 - Page 41

JOYEE M800
58 pages
Print Icon
To Next Page IconTo Next Page
To Next Page IconTo Next Page
To Previous Page IconTo Previous Page
To Previous Page IconTo Previous Page
Loading...
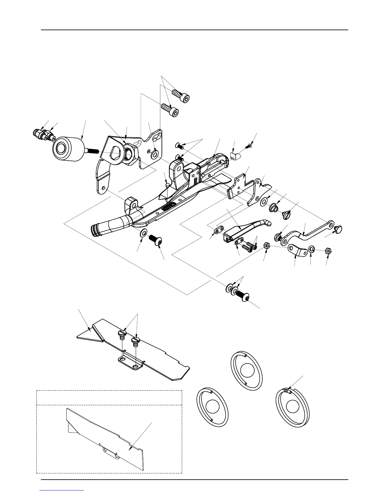
切刀-零件分析表 - M800、M952
The section list of the cutter - M800, M952
4
7
6
9
5
17
13
10
18
11
11
24
14
8
22
21
19
25
1
2
3
23
20
14
16
26
12
29
30
28
27
31
五線車才有
41
32
33
34
35
15
21
M800 ( 五線 5threads )
25
( Only 5threads )
PEGASUS / TYPICAL / JOYEE

Related product manuals