EasyManua.ls Logo

JRC J-Marine NeCST - Connection diagrams [FURUNO]

JRC J-Marine NeCST
292 pages
To Next Page IconTo Next Page
To Next Page IconTo Next Page
To Previous Page IconTo Previous Page
To Previous Page IconTo Previous Page
Loading...
2-29
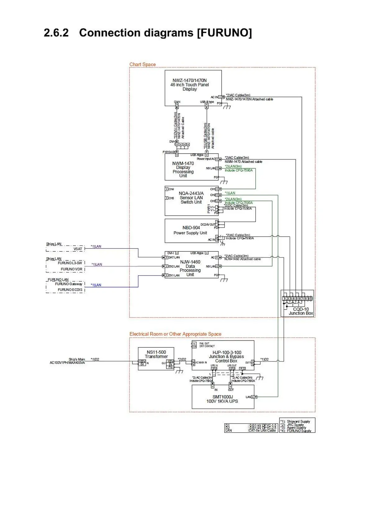
FURUNO ECDIS & VDR [For 100V configuration]
Figure 2.6.2a JAN-470-9ANN/4ANN (for FURUNO ECDIS) connection diagram
2.6.2 Connection diagrams [FURUNO]
.
ql1.a
.
rt
.
~P.'!~
.
e
.....................................................................................................................................
.
N
WZ
-1470/
1470N
46 i
nch
To
uch
Pane
l
Disp
lay
'2\AC
Co
bleO<nl
u
=~~~
qU·
~·~2
\AC~~Co~
bl
~~
,
3m~
m
~
~~----------,
NWM-1470
NI'
.M-
1470
Nb:hed
cob
~
D
·,
sp
l
ay
NX.
.. ' '2llA
N(3m
l
XL lnclJde CF
Q.751CA
Process
il
g
Un
tt
L__
__
--'..:J
f
G
~
~
""'
NQA-24
43
/A
CHS
Sensor
LAN
r'
'
Switch
U
ntt
NB
D-
904
DC24V~
~
P
ow
er Supp
ly
Unit
r.
,
'2i
AC
C:'ltt.
3m
L---------------
/'C
-
1!
-=:l
~
o~
lndJcJe
Cf
~75'SOA
L---
-;;t
.
:n>
~~,'!
""' ~
"" ~e
r.!I
•E
""hJ'2'¥.lfA~
C~C%'"'\'J~"
l'f.'3~m'/;;;;;
'
=,.---1'-'f'--,
r'-
N
JW
-
14
60 J '
"w
"'"'
""""":o
~~~
~------
-+----------
~
·~
·
~
D
am
NX~
~
·
3-
--------------__J
Pr
ocess
ing
r---
~
·
~
~~
~
~~~-
-
~u
n~tt
~--
~~~
IN
WT
SMT1000J
~
,
li
•E
r----'
10
0V
1KVA
U
PS
-,
h
h-,
> '
I
J COD-
10
Junc
ti
on
Box

Table of Contents

Related product manuals