EasyManua.ls Logo

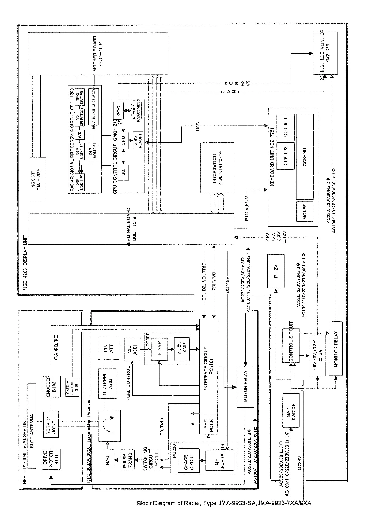
JRC JMA-9922-6XA - 1.4 Exterior Drawing

JRC JMA-9922-6XA
125 pages
Print Icon
To Next Page IconTo Next Page
To Next Page IconTo Next Page
To Previous Page IconTo Previous Page
To Previous Page IconTo Previous Page
Loading...

Table of Contents

Other manuals for JRC JMA-9922-6XA

Related product manuals