EasyManua.ls Logo

JVC EX-P1 - Page 12

JVC EX-P1
43 pages
To Next Page IconTo Next Page
To Next Page IconTo Next Page
To Previous Page IconTo Previous Page
To Previous Page IconTo Previous Page
Loading...
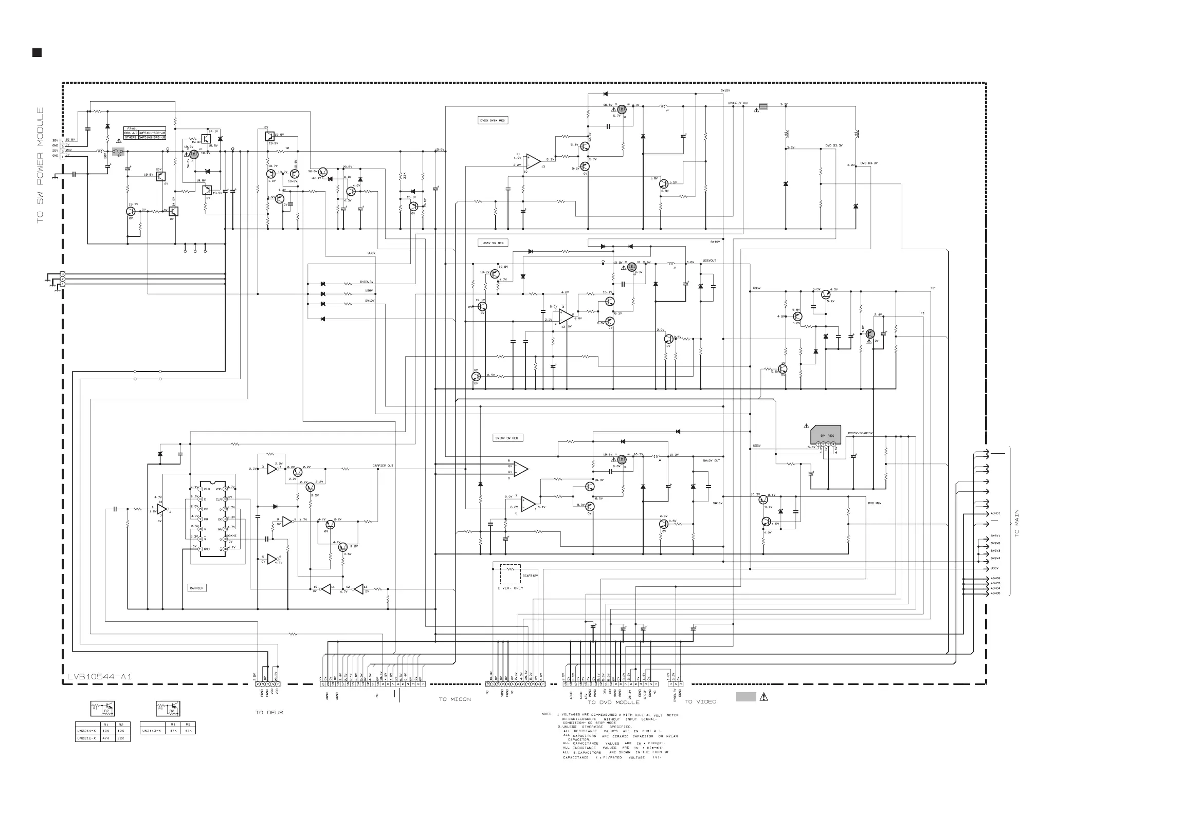
2-6
SHEET 5
Parts are safety assurance parts.
When replacing those parts make
sure to use the specified one.
D2011 D2012
R2013
IC201
L2001
R2411F2401
R2017
Q2013
R2723
C2011
Q2012
C2405
R2014
IC202
CN205
R2003
Q2001
CN204
R2006
R2004
WC201
D2112
R2113
Q2111
IC201
L2101
R2117
C2111
Q2112
R2114
R2009
D2212
R2213
IC221
L2201
IC232
R2217
Q2213
R2104
C2104
IC271
IC232
IC202
C2211
Q2212
IC202
R2214
R2204
IC231
R2302
C2301
R2303
W206
R2305
D2302
R2416
Q2301
Q2302
Q2304
Q2303
R2308
R2315
R2312
IC232IC232
R2442
L2401
Q2401
Q2407
R2119
IC241
Q2421
R2422
CN202
R2449
R2448
R2447
C2304
D2407
D2405
W203
IC232
IC232
R2405
C2231
R2406
D2421
R2450
C2503
R2207
D2015
R2008
D2115
R2107
R2802
W211
Q2803
R2804
Q2409
D2406
IC202
D2404
CP221
R2712
W2
W1
W2
W1
D2601
TP202TP201
Q2701
R2407
D2408
R2012
R2007
Q2011
D2013
C2012
D2014
C2013
R2016
R2018
R2015
C2001
D2001
R2002
R2001
Q2002
C2002
C2003
R2005
Q2003
C2004
R2112
R2212
D2113
C2112
D2114
C2113
Q2113
R2116
R2118
R2115
CN201
Q2211
D2213
C2212
R2219
C2103
R2105
R2216
R2218
R2215
C2203
R2205C2204
R2301
C2302
D2301
C2421
C2303
R2307
R2306
R2314
R2313
R2311
R2206
R2505R2506
D2402
Q2404
R2403
R2404
C2407
C2402
R2441
R2402
Q2403
Q2408
C2404
Q2411
R2412
R2811
Q2412
R2413
R2812
D2116R2108
R2715
R2010
R2445 R2446
R2716
R2705
R2317
Q2422
R2421R2423
C2422
R2706
Q2410
R2106
C2406
R2316
R2444
R2401
C2409
C2408
R2019
R2801R2803
Q2802
Q2801
C2801
D2801
C2802
C2803
R2805R2806
Q2805
C2805
D2403
R2443
C2712
L2231
L2501
D2503
D2231
R2807
R2808
C2711
D2802
C2713
TH261R2602
Q2601
R2603 R2604
Q2702
R2701
D2701
C2701
C2423
D2422
C2714
1SS133-T2 1SS133-T2
4.7K
RDS035L03-X
47
0.47QMF51U1-6R0-J8
2.2K
2SC3928A/QR/-X
220
0.033
2SA1530A/QR/-X
NI
100
QGA2501F1-03
100
2SA1530A/QR/-X
QGF1016F3-19
10K
8.2K
QZW0112-002
1SS133-T2
4.7K
2SC3928A/QR/-X
RDS035L03-X
47
2.2K
0.033
2SA1530A/QR/-X
100
1K
1SS133-T2
2.2K
RHP030N03-W
47
TC74VHC14F-X
4.7K
2SC3928A/QR/-X
10K
10/50
KIA78R05API
UPC339G2-W
0.033
2SA1530A/QR/-X
100
10K
TC74VHC74F-X
10K
1000P
100
36K
1SS133-T2
1K
2SC3928A/QR/-X
2SA1530A/QR/-X
2SA1530A/QR/-X
2SC3928A/QR/-X
20K
18K
10K
10K
1
UN2113-X
UN2211-X
220K
TPC8010-H-X
2SA1530A/QR/-X
10K
QGF1205F1-21
10K
10K
100K
330P
1SS133-T2
MTZJ8.2B-T2
10K
1000/6.3
33K
MTZJ24B-T2
10K
470/16
27K
1SS133-T2
27K
1SS133-T2
NI
47K
KTC3203/OY/-T
100
UN2113-X
MTZJ12B-T2
MTZJ5.1B-T2
ICP-S2.3-X
2.2K
1SS133-T2
QNZ0104-001
QNZ0104-001
KTB772/Y/
390
MTZJ24B-T2
100
12K
2SC3928A/QR/-X
RB161L-40-X
470/16
MTZJ5.6A-T2
0.01
220
2.2K
47
0.068
1SS133-T2
22K
2.2M
2SC3928A/QR/-X
470P
470P
10K
2SC3928A/QR/-X
10/50
100
100
RB161L-40-X
470/16
MTZJ10B-T2
0.01
2SC3928A/QR/-X
220
2.2K
47
QGA3901F1-04
2SC3928A/QR/-X
RB161L-40-X
220/16
27K
0.001
10K
470
22K
47
1000P
10K
10/50
1M
0.068
MTZJ5.1B-T2
220/25
390P
100K
100K
100K
100K
1M
12K
5.1K15K
NI
2SC3928A/QR/-X
56k
10K
47/25
47/25
10K
47K
UN221E-X
UN2113-X
8200/25
2SA1530A/QR/-X
4.7K
10K
2SA1530A/QR/-X
220K
12K
1SS133-T26.8K
10K
1K
1K 22K
10K
10K
10K
2SC3928A/QR/-X
27K4.3K
22/50
3.9K
2SA1530A/QR/-X
NI
0.033
47K
10K
NI
47/25
0.047
10K
100K10K
2SC3928A/QR/-X
2SA1530A/QR/-X
0.01
MTZJ5.1C-T2
0.01
47/25
560330
KTB772/Y/
47/25
MTZJ15B-T2
4.7K
4.7/25
15
47
MTZJ5.1B-T2
MTZJ5.1B-T2
5.6K
2.2K
47/25
1SS133-T2
47/25
NAD0025-333X18K
2SA1530A/QR/-X
18K 3.3K
2SC3928A/QR/-X
470
MTZJ5.1A-T2
0.01
22/50
MA111-X
47/25
SW10VCTL
PDOWN
SAFETY3
TUR
TUL
HPIN
FAOUTL
FTU
FDVD
FLPOWER
FAOUTR
AHB
VOLDATA
VOLCK
HPMUTE
SAFETY2
SAFETY1
SAFETY5
SAFETY4
V5V
S3.3V
F1
V12V
FAOUTL
D3.3V
PDOWN
V20V
F2
SW10V
SPDIF
FDVD
REFCLK
FLPOWER
SW10VCTL
FLPOWER
HPIN
HPMUTE
TUL
AHB
VOLCK
VOLDATA
FTU
FDVD
SAFETY5
SAFETY4
SAFETY3
SAFETY2
SAFETY1
TUR
FAOUTR
US6V
VH
M9V
GND
TO CN312
(SHEET 3)
TO CN707
(SHEET 1)
TO CN706
(SHEET 1)
TO CN501 (SHEET 7)
TO W641
(SHEET 2)
(SHEET 4)
Power supply section

Related product manuals