EasyManua.ls Logo

JVC EX-P1 - Page 14

JVC EX-P1
43 pages
Print Icon
To Next Page IconTo Next Page
To Next Page IconTo Next Page
To Previous Page IconTo Previous Page
To Previous Page IconTo Previous Page
Loading...
2-8
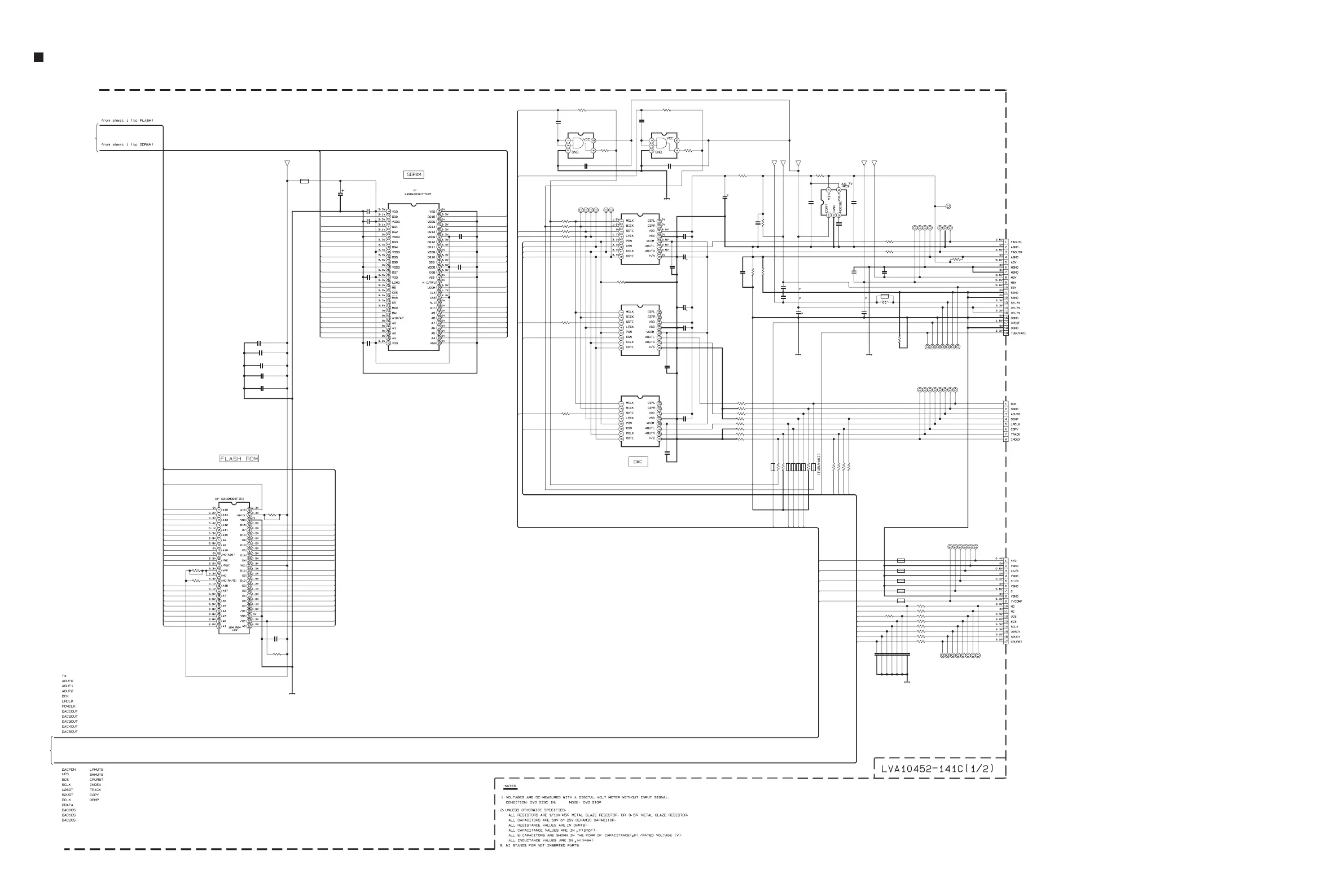
SHEET 7
DVD servo control section (2/2)
IC505
K501
IC509
C707
C709
C711
C706
R741
R551
C701
K556
R742
C551
C558
R501
R502
R552
R718
C905
R747
K563
K564
K565
K566
C902
K567
C901
C903
R558
R743
R744
C552
C553
R511
K551
K552
K553
R746
R745
R510
R748
C912
K554
R704
R530
R702
C555
TP54
C556
L501
C702
C703
K710
IC701
IC702
R911
IC501
IC703
C704
C557
R711
C904
R713
R712
R714
C502
R715
C503
C705
R716
C554
R719
IC704
R701
C713
C712
IC705
C715
C714
R717
R720
C559
R322
K502
R503
C547
C548
C549
C550
TP51TP86
CN501
C510
TP93
TP85
TP94
TP84
CN502
TP87
CN503
TP82
TP81
K555
TP71
TP88
TP72
K721
TP73
TP74
TP75
TP76
TP77
TP52
R729
TP89
TP78
R728
TP90
K723
TP91
R730
TP92
TP59
TP53
C906
TP55
R703
TP57
TP60
TP701
TP702
TP703
TP61
TP704
TP705
TP706
TP56
TP62
TP83
TP63
C721
R727
R725
R723
R724
R722
C501
TP64
TP65
K724
K722
K725
TP58
R721
C511
C506
C508
C507
C509
C505
K4S641632H-UC75
NQR0129-002X
AT49BV162AT70TI
0.1/16
NI
NI
S5VP3.3V
10/16
M5V
NI
1k
0.1/16
NQR0129-002X
NI
0.1/16
0.1/16
470
470
NI
47k
M9V
NI
NI
NQR0129-002X
NQR0129-002X
NQR0129-002X
NQR0129-002X
0.1/16
NQR0129-002X
NI
0.1/16
1k
NI
NI
0.1/16
22/6.3
NI
NQR0129-002X
NQR0129-002X
NQR0129-002X
NI
NI
NI
NI
NI
NQR0129-002X
NI
10k
0
0.1/16
0.1/16
NQL044K-100X
NI
NI
NQR0129-002X
AK4384VT-X
NI
0
NI
NI
220/6.3
MGND
1/10
220
DGND
0.1/16
S3.3V
220
220
NI
NI
NI
NI
NI
0
0.1/16
D3.3V
0
NI
10
NI
NI
NI
NI
NI
NI
NI
DGND
0.1/16
47k
DGND
NI
100
0.1
NI
NI
NI
DGND
QGF1016F2-19W
33p
NI
QGF1016F2-17W
NQR0022-005X
NI
NI
NI
NI
NI
0.1/16
NI
0.001
NI
NI
NI
NI
NI
NI
NI
NI
NI
NI
NI
33p
33p
33p
33p
33p
SWMUTE
DAC1OUT
EXADT15
MA11
MA9
EXADT14
DAC2OUT
MA3
DACPDN
MA1
EXADT13
LRMUTE
EXADT12
EXADT11
DAC5OUT
DAC4OUT
DAC3OUT
SCS
CPURST
EXADT10
EXADT9
EXADT8
EXADT7
EXADT6
EXADT5
EXADT4
EXADT3
EXADT2
EXADT1 EXADT0
UCS
MDQ15
MDQ14
DAC0CS
MDQ13
PCMCLK
MDQ12
MDQ11
MDQ10
MDQ9
MDQ8
MA8
MA7
MA6
MA5
MA4
MA2
MA0
MA10
MDQ7
MDQ6
MDQ5
MDQ4
MDQ3
MDQ2
MDQ1
MDQ0
DAC1CS
SCLK
U2SDT
S2UDT
CPURST
DAC2CS
EXADR20
DCLK
DQM0
NRAS
NCAS
NWE
DDATA
NCSM
BA0
BA1
BCK
AOUT0
AOUT1
EXADR16
AOUT2
NEXCE
DQM1
MCK
EXDAT15
EXDAT7
LRCLK
EXDAT14
EXDAT6
EXDAT13
EXDAT5
EXDAT12
EXDAT4
EXDAT11
EXADR19
EXADR18
EXADR17
EXDAT3
EXDAT10
EXDAT2
EXDAT9
EXDAT1
EXDAT8
EXDAT0
NEXOE
NEXWE
AOUT1
SWMUTE
TX
AOUT0
DEMP
LRCLK
COPY
TRACK
INDEX
AOUT2
TO CN204 (SHEET 5)
TO CN631 (SHEET 2)
(SHEET 6)
(SHEET 6)

Related product manuals