EasyManua.ls Logo

JVC Exad KD-LHX555

JVC Exad KD-LHX555
69 pages
To Next Page IconTo Next Page
To Next Page IconTo Next Page
To Previous Page IconTo Previous Page
To Previous Page IconTo Previous Page
Loading...
2-4
SHEET 3
IC402
R4043
R4003
C4007
R4042
R4041
R4040
R4039
R4038
R4037
D4001
X4001C4004
C4005
C4008
R4020
R4013
R4014
R4016
R4019
R4015
R4017
R4018
R4067
R4023
R4101
Q4003
R4070
C4102
C4101 Q4101
C4152
C4151
Q4151
R4151
IC401
Q4251
Q4201
R4201
R4251
C4252
C4202
C4201
C4251
C4006
R4071
R4100
C4001
R4036
R4021
L4001
C4002
C4009
C4010
R4072
Q4001
R4035
R4026
C4011
C4012
R4030
R4073
R4027
R4032
R4031
R4033
Q4002
R4068
R4102
R4103
R4152
R4153
R4069
R4034
R4203
R4202
R4253
R4252
MSM6650G3-BK
1k
0
0.047
1k
1k
1k
1k
1k
1k
1SS355-X
QAX0763-001Z
39p
39p
47/16
1k
1k
56k
1k
0
1k
47k
2SD1781K/QR/-X
2.2k
0.0039
0.1
2SD1383K/B/-X
0.0039
0.1
2SD1383K/B/-X
47k
2SD1383K/B/-X
2SD1383K/B/-X
47K
47K
0.0039
0.0039
0.1
0.1
0.047
100k
1k
100/6.3
1k
100k
47
0.027
0.001
10/6.3
47k
0.01
10/6.3
2.2k
1k
1k
1k
2SD1781K/QR/-X
220k
2.7k
220k
2.7k
5.6k
1k
2.7K
220K
2.7K
220K
3.3V
A20
A19
A18
A8
A7
A6
A5
A4
A3
A2
V-ATT1
V-ATT2
OCE
D0
D1
D2
D3
A17
D7
D6
D5
D4
A10
A9
A8
A7
V-BUSY
V-RESET
A6
V-MUTE
V-ST
V-SD
V-SCK
9V
A5
A4
A3
A2
A1
A0
D7
D6
D5
D4
D3
D2
D1
A0
GND
V-NAR
V-RR
A1
A16
A15
A14
A13
A12
A11
A10
A9
V-FR
V-FL
V-RL
OCE
A20
A19
A18
A17
A16
A15
A14
A13
A12
A11D0
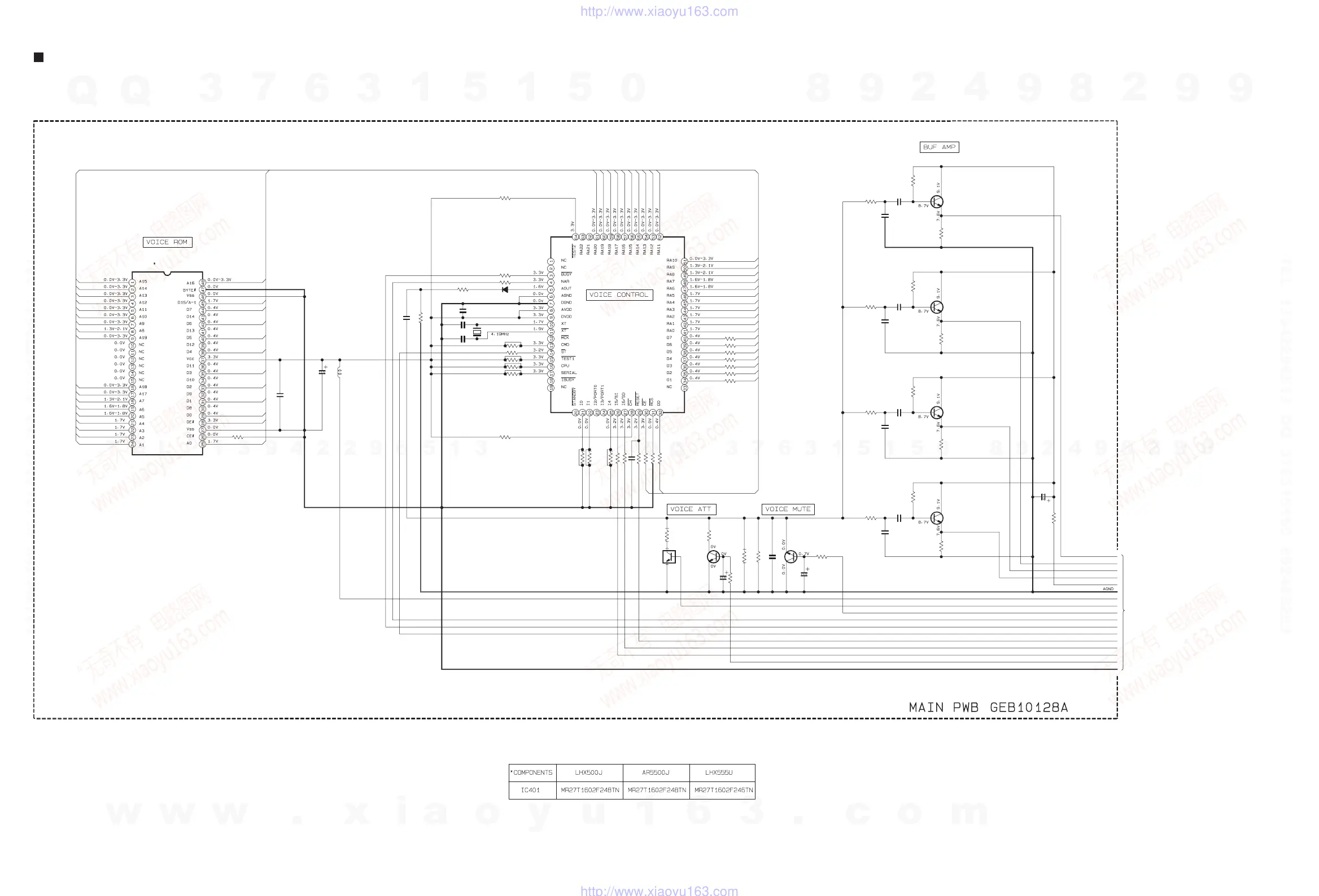
(SHEET 2)
Voice control section
w
w
w
.
x
i
a
o
y
u
1
6
3
.
c
o
m
Q
Q
3
7
6
3
1
5
1
5
0
9
9
2
8
9
4
2
9
8
T
E
L
1
3
9
4
2
2
9
6
5
1
3
9
9
2
8
9
4
2
9
8
0
5
1
5
1
3
6
7
3
Q
Q
TEL 13942296513 QQ 376315150 892498299
TEL 13942296513 QQ 376315150 892498299
http://www.xiaoyu163.com
http://www.xiaoyu163.com

Other manuals for JVC Exad KD-LHX555

Related product manuals