EasyManua.ls Logo

JVC GR-D23EK - Page 44

JVC GR-D23EK
132 pages
Print Icon
To Next Page IconTo Next Page
To Next Page IconTo Next Page
To Previous Page IconTo Previous Page
To Previous Page IconTo Previous Page
Loading...
5
4
3
2
1
A
BC
DE
F
G
2-39 2-40
X8301
GND
R8314
REG_4.8V
R8315
L8301
C8301
C8311
D8
USB_DP
IC8301
C8309
C8308
R8312
C8310
C8305
R8305
TL8305
R8313
R8303
R8302
USB_DN
C8303
C8304
USBSENS
D0
D1
D2
D3
D4
D5
D6
D7
D9
D10
D11
D12
D13
D14
D15
A1 0
EM_CS2
FLSH_OE
FLSH_WE
GIO3
GIO1 5
GIO6
DSC_RST
R8306
R8307
R8308
R8309
C8306
C8307
NAX0612-001X
NQR0129-002X
/6.3
T
GL
WAKEUP
SUSPEND
EOT
DREQ
DACK
SDWR
SDRD
IN T
READY
BCNF 0
DATA6
DATA5
DATA3
DATA2
DATA1
GND
VCC( 3.3)
AD
RD
WRVBUS
DATA4
A0
ISP1181ABS
DATA1 4
DATA1 3
DATA1 2
DATA1 1
DATA1 0
GND
VREF( 5.0)
DATA8
DATA7
AL E
CS
RESET
CLKOUT
GND
XTAL 2
XTAL 1
VCC
REGGND
VREG( 3.3)
D-
D+
BCNF1
DATA1 5
DATA9
1M1M
10
0.1
0.1
0.1
1M
0
22
22
10k
10k
10k
10k
0.1
0.1
DSC_RST
D6
D5
GIO3
D4
D3
D2
D1
D0
A1 0
EM_CS2
FLSH_WE
FLSH_OE
GIO6
GIO6
DSC_RST
GIO3
GIO1 5
GIO1 5
EM_CS2
FLSH_OE
FLSH_WE
A10
D0
D1
D2
D3
D4
D5
D6
D7
D8
D9
D1 0
D1 1
D1 2
D1 3
D1 4
D1 5
D1 5
D1 4
D1 3
D1 2
D1 1
D1 0
D9
D8
D7
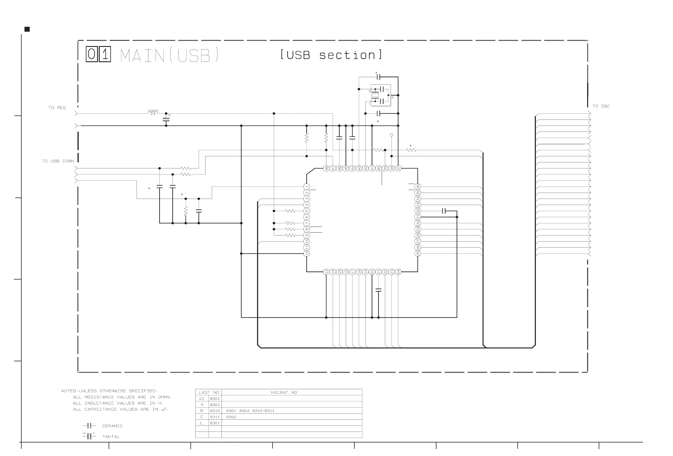
NOTE : The parts with marked (
) is not used.
MAIN
(USB)
SCHEMATIC DIAGRAM (GR-D53,GR-D73)
y30251001a_rev0.1

Related product manuals