EasyManua.ls Logo

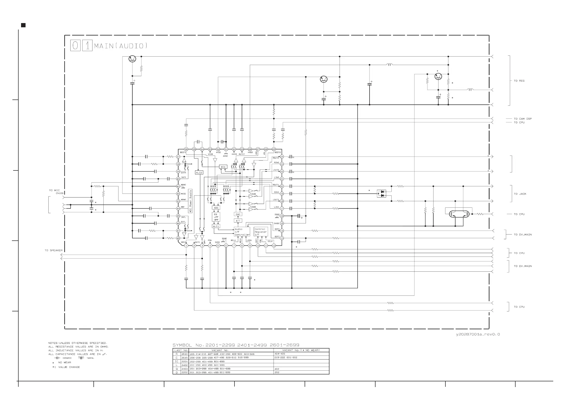
JVC GR-D33EK - MAIN(AUDIO) SCHEMATIC DIAGRAM (GR-D53,GR-D73)

JVC GR-D33EK
132 pages
Print Icon
To Next Page IconTo Next Page
To Next Page IconTo Next Page
To Previous Page IconTo Previous Page
To Previous Page IconTo Previous Page
Loading...
5
4
3
2
1
A
BC
DE
F
G
2-19 2-20
IC2201
PD_L
S_SHUT
GND
REG_3.1V
AODAT
AU_DATA
AIMCK
REG_4.8V
BUZZER
AIBCK
AU_CLK
AUDIO_CS
AIDAT
AILRCK
AU_SIG/L
C2212
C2211
EM_AU/R
R2602
R2601
C2602
C2601
C2608
C2604
C2603
C2607
EM_AU/L
C2606
C2605
AU_SIG/R
C2613
R2610
R2609
R2607
R2608
C2611
C2612
R2201
R2203
C2201
C2223 C2224
R2204
L_MUTE
C2202
R2202
R2404
R2405
R2406
R2402
R2403
C2402
C2401
Q2401
R2401
L2401
C2404
R2407
L2402
C2403
C2406
C2405
Q2402
C2203
R2224
R2223
R2222
R2221
R2220R2219
R2218
R2217
C2219 C2220
C2221
C2222
R2212
C2217
C2210
C2214
C2209
C2213
R2207
R2206
R2211
R2210R2209
R2208
C2216
C2215
D2202
GND
R2225
R2226
MIC/R
Q2202
R2230R2229 R2231
A_MUTE
Q2403
C2614
C2615
SPK+
SPK-
GND
MIC/L
C2205
C2204
R2213C2218
AK4564VQ
/6.3
T
/6.3
T
2SC4617/QR/-X
NQL402M-100X
/6.3
T
NQL402M-100X
/6.3
T
/6.3
UMX1N-W
2SC4617/QR/-X
T
10
0.1
0.1
1.8k
1.8k
0.001
0.022
0.022
0.001
0.0047
0.0047
1.0
220k
220k
22k
22k
1.0
1.0
680k
39k
0.1
0.1 0.1
150k
1.0
560k
0
4.7k
18k
10
10
4.7k
10
10
10
0.11.0
10
10
10
0
00
10
10
2.7
0.1
1.0
0.1
1.0
0.1
33k
33k
0
022k
22k
0.1
0.1
0
0
560k560k 3.3k
100p
100p
1.0
1.0
2.70.1
TO AUDIO_AD
NOTE : The parts with marked (
) is not used.
MAIN
(AUDIO)
SCHEMATIC DIAGRAM (GR-D53,GR-D73)

Related product manuals