EasyManua.ls Logo

JVC KD-AR270 - Page 37

JVC KD-AR270
97 pages
Print Icon
To Next Page IconTo Next Page
To Next Page IconTo Next Page
To Previous Page IconTo Previous Page
To Previous Page IconTo Previous Page
Loading...
2-8
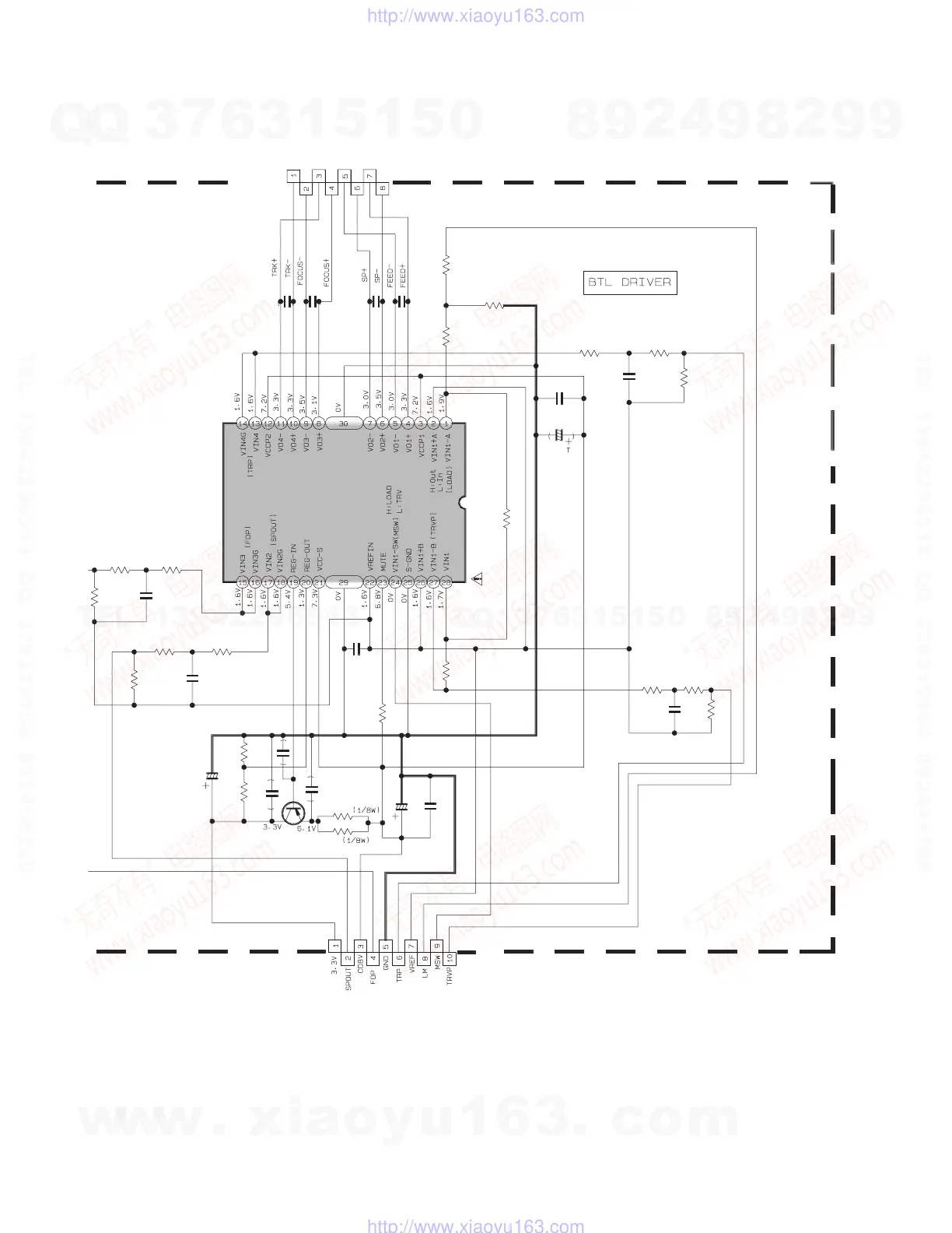
SHEET 3
CN502
CN503
R520
R500
R569
Q501
R507
R508
R509
R510
R511
R513
R515
R517
C505
C506
C518
IC501
C507
C512
C511
C514
C501
C510
C509
R505
R568
C508
R519
R506
C502
R501
R502 R503
R512
C513
R514
C515
R516
C517
R518
C503
C504
QGZ2512M1-10
QGZ2512M1-08
22
22
11k
2SA1705/ST/-T
15k
3.3K
100K
27K
15K
10k
15k
15k
47/16
0.01
68p
LA6242H-X
0.1
0.1
2200p
0.1
220/6.3
0.047
0.047
11k
7.5k
0.047
47k
30k
0.1
8.2k
8.2k 5.1k
5.6K
6800p
5.6k
0.0012
1K
0.0018
5.6K
220/10
0.1
TO SHEET 2
TO SHEET 2
w
w
w
.
x
i
a
o
y
u
1
6
3
.
c
o
m
Q
Q
3
7
6
3
1
5
1
5
0
9
9
2
8
9
4
2
9
8
T
E
L
1
3
9
4
2
2
9
6
5
1
3
9
9
2
8
9
4
2
9
8
0
5
1
5
1
3
6
7
3
Q
Q
TEL 13942296513 QQ 376315150 892498299
TEL 13942296513 QQ 376315150 892498299
http://www.xiaoyu163.com
http://www.xiaoyu163.com

Other manuals for JVC KD-AR270

Related product manuals