EasyManua.ls Logo

JVC KD-AR270 - Page 43

JVC KD-AR270
97 pages
Print Icon
To Next Page IconTo Next Page
To Next Page IconTo Next Page
To Previous Page IconTo Previous Page
To Previous Page IconTo Previous Page
Loading...
2-14
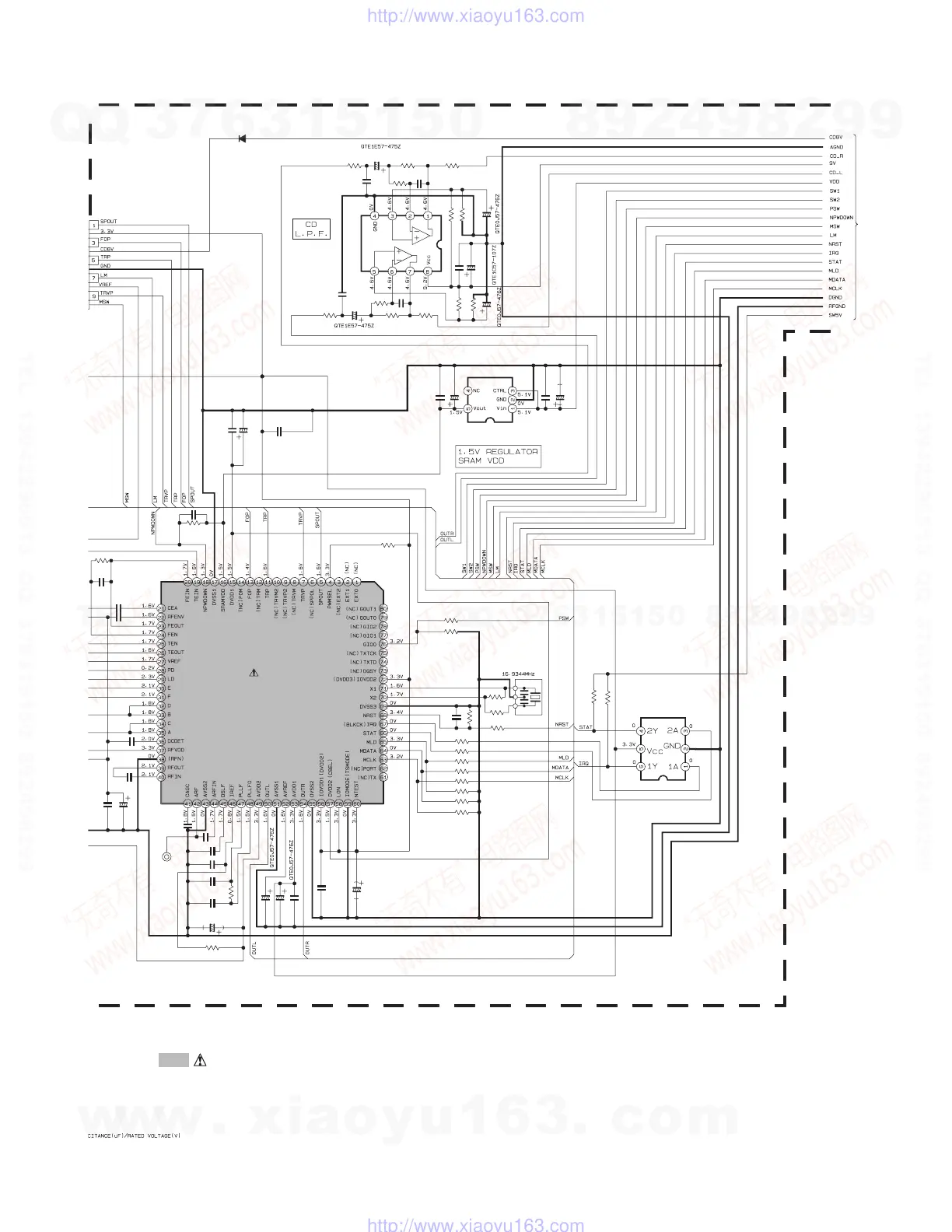
SHEET 2
Parts are safety assurance parts.
When replacing those parts make
sure to use the specified one.
R535
X521
ARF
IC521
D501
C534
R529
R528
R527
R526
R525
R530
C544
C543
C546
R558
C542
C541
C540
C539
R531
R532
C532
C531
C525
C526
C524
R540
R533
R534
R524
R586
R588 R590R584
R589R583
R587
R585
C587
IC981
C588
R521
R522
R537
C523
C586
C585
IC523
R561
C545
C538
C547
C548
C549
R591
R559
C551
C552
R523
C522
IC581
C981
R592
R593
C589
R594
C584
C583
C536
C535
C983
C984
C982
R562
C590
C591
C592
10K
QAX0714-001Z
MN6627945EE
1A3G-T1
0.1
2.2k
2.2k
2.2k
1K
1K
4.7k
0.082
1000p
220/6.3
82k
0.1
0.015
680p
0.1
4.7k
4.7k
0.33
0.33
0.022
0.022
560P
30K
27k
68k
K
K
2.2K
5.6K
27K
0
15k
0
15k
27K
5.6K
150p
NJU7772F15-X
150p
1M
220
1.5M
100p
4.7/25
4.7/25
SN74LVC2G07V-X
QGZ2512M1-10
1k
0.1
47/6.3
47/6.3
47/6.3
0.1
22k
820
0.1
47/6.3
4.7k
0.22
NJM4565E-X
100/6.3
22k
22k
47/6.3
22k
820p
820p
47/6.3
0.1
100/6.3
0.1
0.1
1k
47/6.3
100/16
0.1
TO SHEET 1
w
w
w
.
x
i
a
o
y
u
1
6
3
.
c
o
m
Q
Q
3
7
6
3
1
5
1
5
0
9
9
2
8
9
4
2
9
8
T
E
L
1
3
9
4
2
2
9
6
5
1
3
9
9
2
8
9
4
2
9
8
0
5
1
5
1
3
6
7
3
Q
Q
TEL 13942296513 QQ 376315150 892498299
TEL 13942296513 QQ 376315150 892498299
http://www.xiaoyu163.com
http://www.xiaoyu163.com

Other manuals for JVC KD-AR270

Related product manuals