EasyManua.ls Logo

JVC KD-S587 - Page 20

JVC KD-S587
49 pages
Print Icon
To Next Page IconTo Next Page
To Next Page IconTo Next Page
To Previous Page IconTo Previous Page
To Previous Page IconTo Previous Page
Loading...
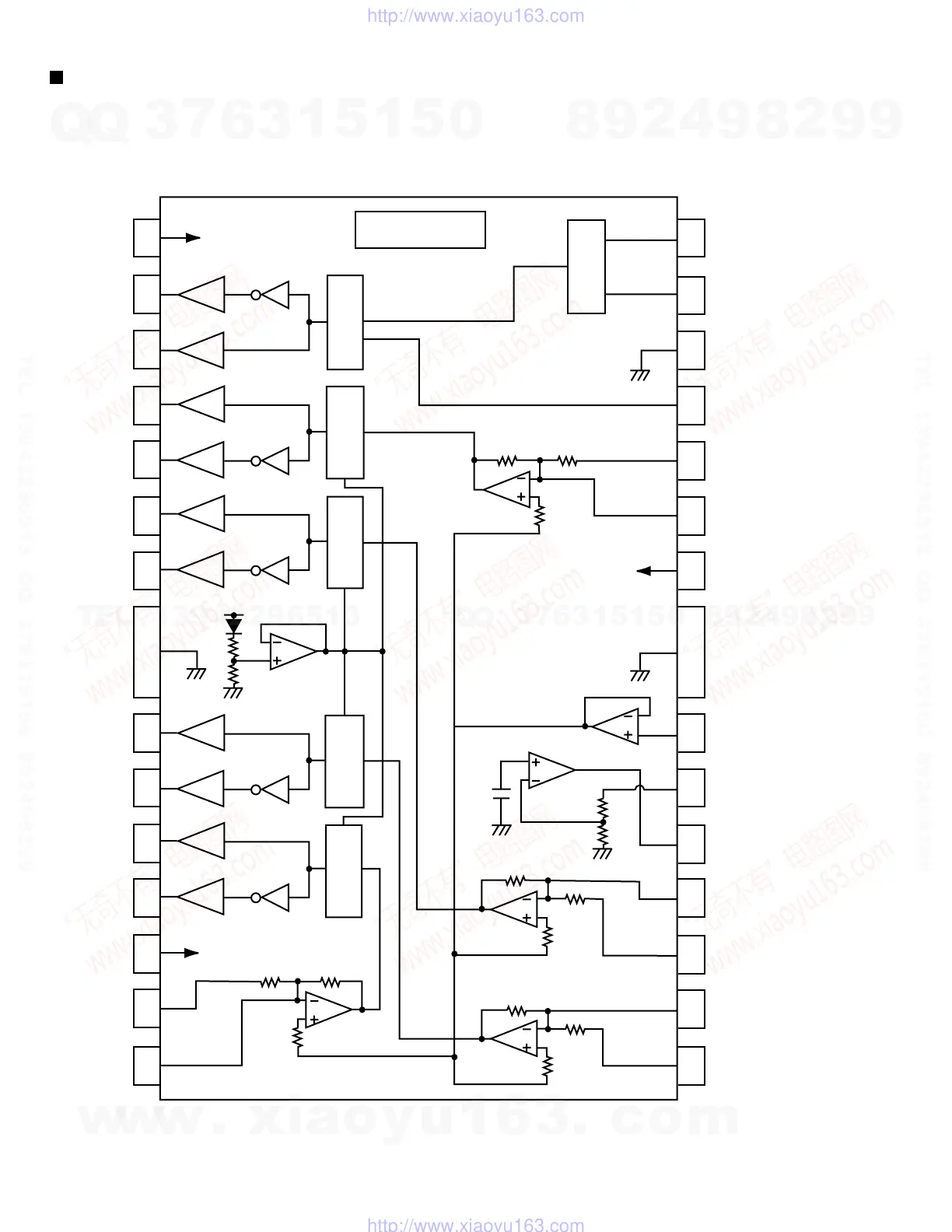
KD-S587
1-20
VCC2
V05-
V05+
V04+
V04-
V03+
V03-
V02+
V02-
V01+
V01-
VCC1
VIN1
VIN1G
FR
REV
FWD
S-GND
VCONT
VIN4
VIN4G
VCC-S
VREF-IN
REG-OUT
REG-IN
VIN3G
VIN3
VIN2G
VIN2
FR
28
27
26
25
24
23
22
21
20
19
18
17
16
15
FR
1
2
3
4
5
6
7
8
9
10
11
12
13
14
FR
CH 3,4,5
Power supply
Output control
CH5
CH4
CH2
CH1
CH3
22K 11K
5VREG(PNPTr
The outside putting)
22K
22K
22K
11K
11K
11K
CH1,2
Power supply
LA6567H-X (IC541) : CD driver
1.Pin layout & Blockdiagram
Level shiftLevel shiftLevel shiftLevel shift
Thermal shutdown
Input
Signal system power supply
w
w
w
.
x
i
a
o
y
u
1
6
3
.
c
o
m
Q
Q
3
7
6
3
1
5
1
5
0
9
9
2
8
9
4
2
9
8
T
E
L
1
3
9
4
2
2
9
6
5
1
3
9
9
2
8
9
4
2
9
8
0
5
1
5
1
3
6
7
3
Q
Q
TEL 13942296513 QQ 376315150 892498299
TEL 13942296513 QQ 376315150 892498299
http://www.xiaoyu163.com
http://www.xiaoyu163.com

Related product manuals