EasyManua.ls Logo

JVC MX-J900 - Page 53

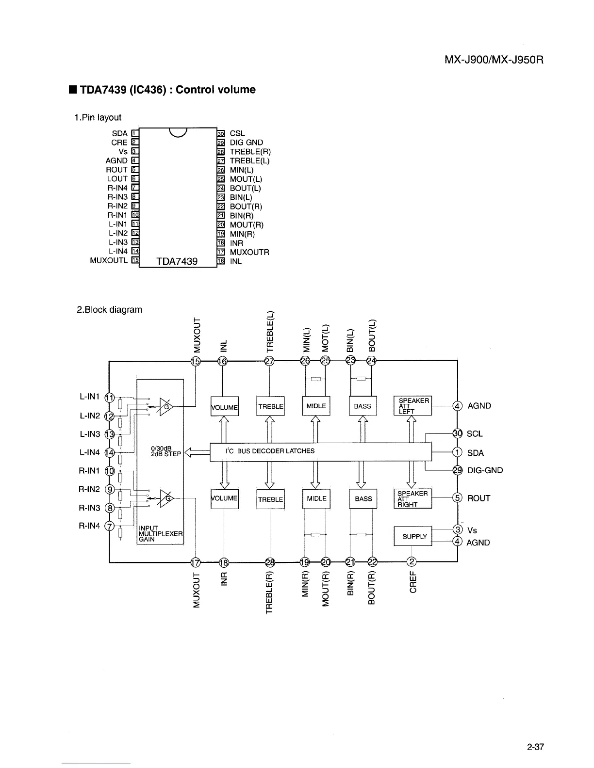
JVC MX-J900
132 pages
Print Icon
To Next Page IconTo Next Page
To Next Page IconTo Next Page
To Previous Page IconTo Previous Page
To Previous Page IconTo Previous Page
Loading...

Table of Contents

Other manuals for JVC MX-J900

Related product manuals