EasyManua.ls Logo

JVC TH-S560B - Bluetooth Connectivity; System Connection Diagram

JVC TH-S560B
28 pages
Print Icon
To Next Page IconTo Next Page
To Next Page IconTo Next Page
To Previous Page IconTo Previous Page
To Previous Page IconTo Previous Page
Loading...
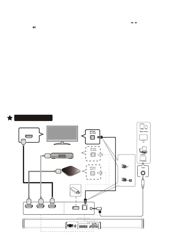
Connections
N
otes:
• Having connection problems? Remove TH-S560B from your device's Bluetooth history and ensure it’s less
than 8 meters away. Then try pairing again. To get the best sound quality, make sure there is a clear line of sight
between the connected device and your sound bar.
• If your pairing device or connected device is switched off or manual disconnected, the sound bar will
automatically enter pairing mode.
•The music streaming may be interrupted by obstacles between the device and Soundbar, such as wall,
metallic casing that covers the device, or other devices nearby that operate in the same frequency.
• If you want to connect your Soundbar with another Bluetooth device, press and hold Pair on the remote control
to disconnect the currently connected Bluetooth device.
13
4. Select and play audio files or music on your Bluetooth device.
• During play, if a call is coming, music play is paused. Play resumes when the call ends
• If your Bluetooth device supports AVRCP profile, on the remote control you can press / to skip to a track,
or short-press to pause/ resume play; Press and hold the RESET button more than 2 seconds to restore factory
default settings; Hold Pair button on the remote control for more than 2 seconds to disconnect paired BT device or
connect back last disconnect BT device.
5. You can use the volume buttons on the sound bar or on the remote controller to adjust the volume to your requirements
6. To exit Bluetooth, select other relevant input source.
• When your switch back to Bluetooth mode, Bluetooth connection remains active.
7. Press the VOL +/– buttons to adjust the volume to your desired level.
STB(Set Top Box)
HDMI OUT
HDMI(ARC)
/HDMI IN
HDMI OUT
USB flash driver
satellite or network set-top
box, or BD/Blue Ray DVD player
TV
1. Remove the cap
2. Check the
direction of the
plug
HDMI OUT
(ARC)
HDMI IN 1HDMI IN 2
USB
OPTICAL
AUX
OUTPUT

Related product manuals