EasyManua.ls Logo

JVC TK-C600 - Page 31

JVC TK-C600
53 pages
Print Icon
To Next Page IconTo Next Page
To Next Page IconTo Next Page
To Previous Page IconTo Previous Page
To Previous Page IconTo Previous Page
Loading...
Mi
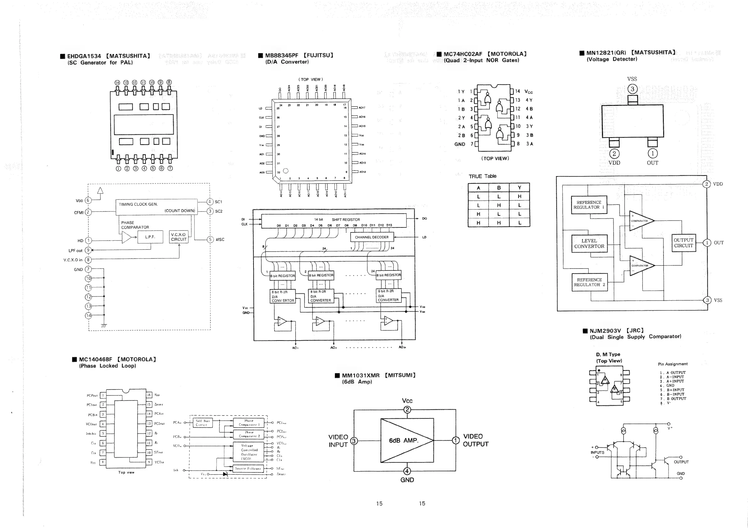
EHDGA1534
(MATSUSHITA)
(SC
Generator
for
PAL)
TIMING
CLOCK
GEN.
os
CFM!
@-———
(COUNT
DOWN)
sc2
PHASE
H
COMPARATOR
'
V.C.X.0
CIRCUIT
4fSC
tas
pe
LP.F.
LPF
out
V.C.X.0
in
(8)
Coliteh
tone
Se
aehe cece
cee
ele
cechse
sepa
See
eee
oe,
MEMC14046BF
[MOTOROLA]
(Phase
Locked
Loop)
PCPout
PClout
PCBin
VCQout
Inhibit
PC
Ban
Cin
Von.
Voltage
{nh
Top
view
Controlled
Oscillator
WEMB88345PF
[FUJITSU]
(D/A
Converter)
(TOP
VIEW
)
to
[=
a017
cLK
AIG
ol
{)
aos
GND
L,
Vee
Vea
(=
voo
AQ!
AOA
AO2
AO3
a
AQ12
AQIS
AO’
AOS
EXek;)
AaoT
ao
AOD
AQ10
AON
14
bit
SHIFT
REGISTOR
O1
D2
03
D4
DS
D6
D7
D8
D9
010
D11
012
O19
ESSE
PRs
[
crannet
vecooen
|
DECODER
8
bit
abit
ReisTOR
bean
TEL
(gat
bit
REGISTOR
bit
REGISTOR|
[abi
REcisToR
bit
REGISTOR|
;
oe
R-2R
[eee
CORvERTER
yj]
OE
Me
MM1031XMR_
[MITSUMI}
(6dB
Amp)
x
VIDEO
@
INPUT
a=
6dB
AMP.
wi
15
15
Mi
MC74HCO2AF
(MOTOROLA)
(Quad
2-Input
NOR
Gates)
14
13
12
im
10
9
8
(TOP
VIEW)
ly
1A
18
2Y
2A
28
GND
Nn
DO
S&S
W
DH
TRUE
Table
Voc
4y
4B
4A
3Y
3B
3A
qy
VIDEO
®
output
W@
MN12821(OR)
[MATSUSHITA]
(Voltage
Detecter)
VSS
@)
@)
®
VDD
OUT
REFERENCE
REGULATOR
1
LEVEL
CONVERTOR
OUTPUT
circurr
|
~L)
OUT
+
COMPARATOR
REFERENCE
REGULATOR
2
VSS
M@
NuM2903V
[JRC]
(Dual
Single
Supply
Comparator)
D,
M
Type
(Top
View)
Pin
Assignment
.
A
OUTPUT
.
A-INPUT
.
A+INPUT
.
GND
.
B+INPUT
.
B-INPUT
.
B
OUTPUT
ve
MUAH
nAkwre
INPUTS
OUTPUT
GND

Related product manuals