EasyManua.ls Logo

Kanto FMC1 - Page 10

Kanto FMC1
16 pages
Print Icon
To Next Page IconTo Next Page
To Next Page IconTo Next Page
To Previous Page IconTo Previous Page
To Previous Page IconTo Previous Page
Loading...
10
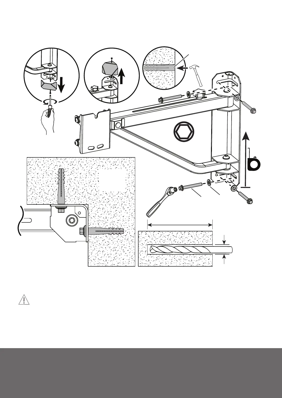
4C. Mount arm plate assembly (Concrete Wall) / Ensemble de la plaque
de bras (mur en béton) / Monte el conjunto de la placa del brazo (muro de
concreto)
Concrete/
Béton/
Concreto
3/8”
(10mm)
3.2(80mm)
*
CAUTION
Make sure the concrete or brick wall is at least 4” thick. Make sure the anchor is seated completely ush with the concrete surface even if there is another
layer of material, such as drywall. If drywall is over 5/8” thick, custom lag bolts must be used. Concrete must be a minimum of 2000psi in density.
ATTENTION:
Assurez-vous que le mur en béton ou en brique est d’au moins 4” d’épaisseur. Assurez-vous que l’ancre est comptement ras avec la surface du béton, même s’il y a
une autre couche de matérial, comme le placoplâtre. Si le placoplâtre est supérieure à 5/8” d’épaisseur, des tire-fonds personnalisés doivent être utilisés. La densi
du béton doit être supérieure à 2000 psi.
PRECAUCIÓN:
Aserese de que el hormigón o pared de ladrillo sea de al menos 4” de espesor. Asegúrese de que el ancla esté asentado completamente y enrasada con la
supercie de hormigón, inclusive si hay otra capa de material, tales como paneles de yeso. Si la tablaroca tiene un grosor de más de 5/8” se deberan usar pernos
personalizados. El concreto debe ser de un mínimo de 2000 psi de densidad.
L
M
4.3
4.4
4.1 4.2
13mm
*Mount height depends on TV size, viewing position, and personal preference.
*La hauteur du support varie selon la taille du téléviseur, la position de visualisation et de préférence personnelle
*La altura a la que se instala el montaje depende del tamaño de la televisión, la posición de visualización, y las preferencias personales.

Related product manuals