EasyManua.ls Logo

Kärcher S12 - Page 49

Kärcher S12
50 pages
Print Icon
To Next Page IconTo Next Page
To Next Page IconTo Next Page
To Previous Page IconTo Previous Page
To Previous Page IconTo Previous Page
Loading...
218.643-553.0 Manual - Karcher Sensor S12
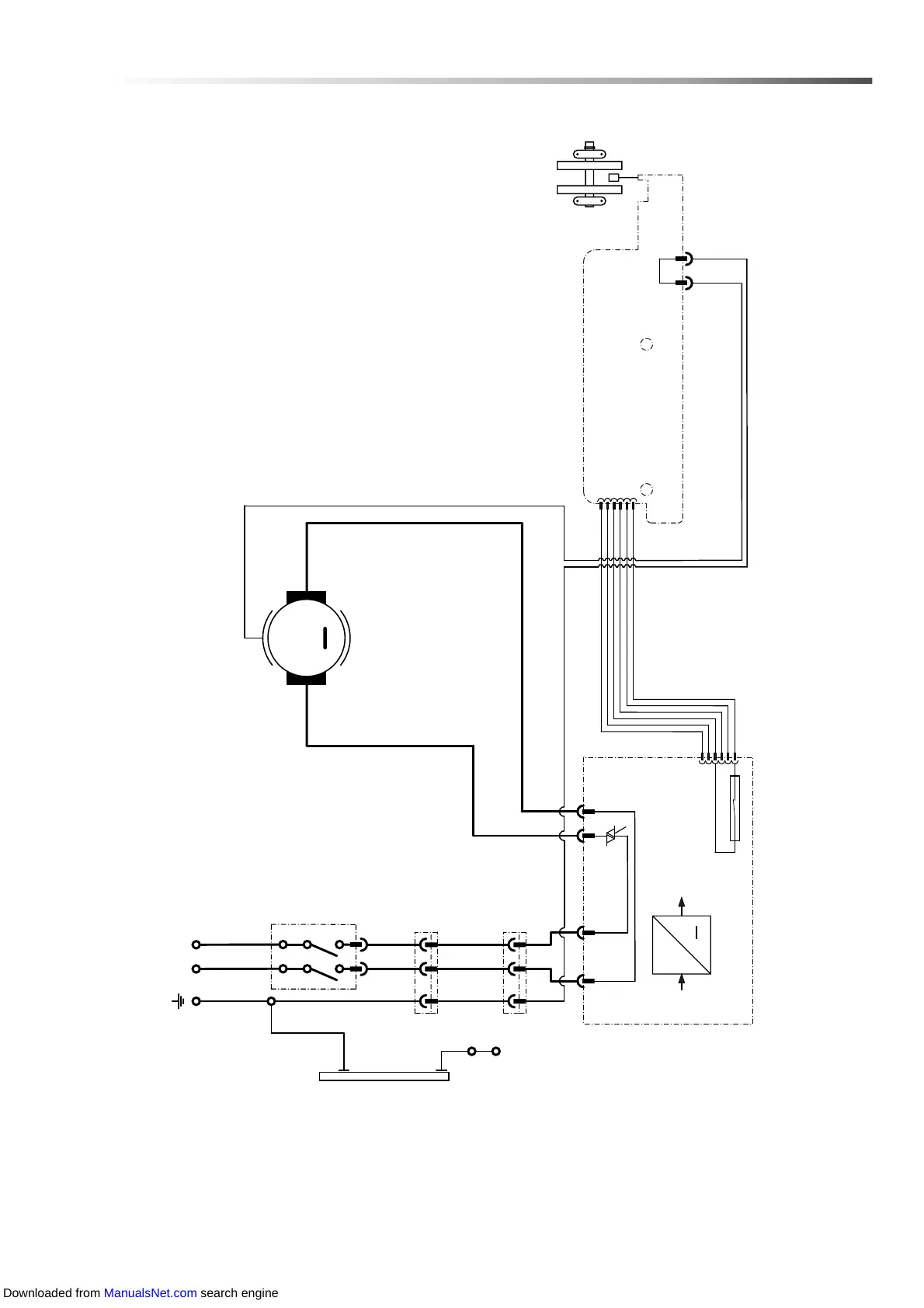
Wiring Diagram
PCB 12V power supply
Circuito impreso Alimentación 12V
Circuit imprimé Alimentation 12V
Vaccum motor
Motor de aspiración
Moteur d‘aspiration
Main switch in handle
Interuptor principal en el mango
Interrupteur principal dans la poignée
Filter housing
Compartimiento del filtro
Logement sac poussiére
Handle tube
Tubo de la manilla
Tube de manche
120V~
Third contact in US
professional machines only
Reed contact swivel switch
Contacto Reed interuptor articulatión
Interrupteur pivotant à contact Reed
PCB computer controller
Circuito impreso controlador electrónico
Circuit imprimé contrôleur d'ordinateur
Hall sensor
Sonde de Hall
Capteur à effet Hall
Wiring UL approved types WIVGP01, WIVGP02
Karcher types SRS 12, SRS 15
120 V, 60 Hz, 3-wire
Connector in swivel neck
Conector en el cuello giratorio
Connecteur dans col pivotant
Connector in power
head
Conector en el pie
de aspiración
Connecteur dans
pied ventouse
M
~
~
Downloaded from ManualsNet.com search engine

Related product manuals