EasyManua.ls Logo

Keces P8 - Interface; Single Output; Dual Output

Keces P8
19 pages
Print Icon
To Next Page IconTo Next Page
To Next Page IconTo Next Page
To Previous Page IconTo Previous Page
To Previous Page IconTo Previous Page
Loading...
P8 User Manual
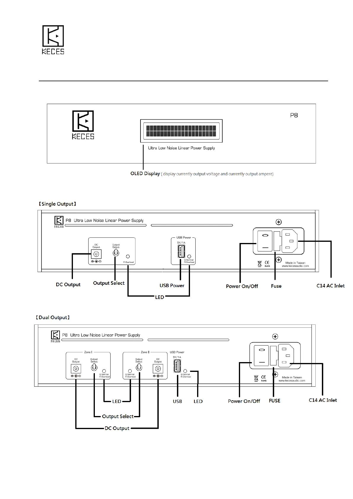
Interface
4

Related product manuals