EasyManua.ls Logo

Kelvinator KCHRI25RIGDR - Page 15

Kelvinator KCHRI25RIGDR
18 pages
Print Icon
To Next Page IconTo Next Page
To Next Page IconTo Next Page
To Previous Page IconTo Previous Page
To Previous Page IconTo Previous Page
Loading...
Service and Installation Manual
14
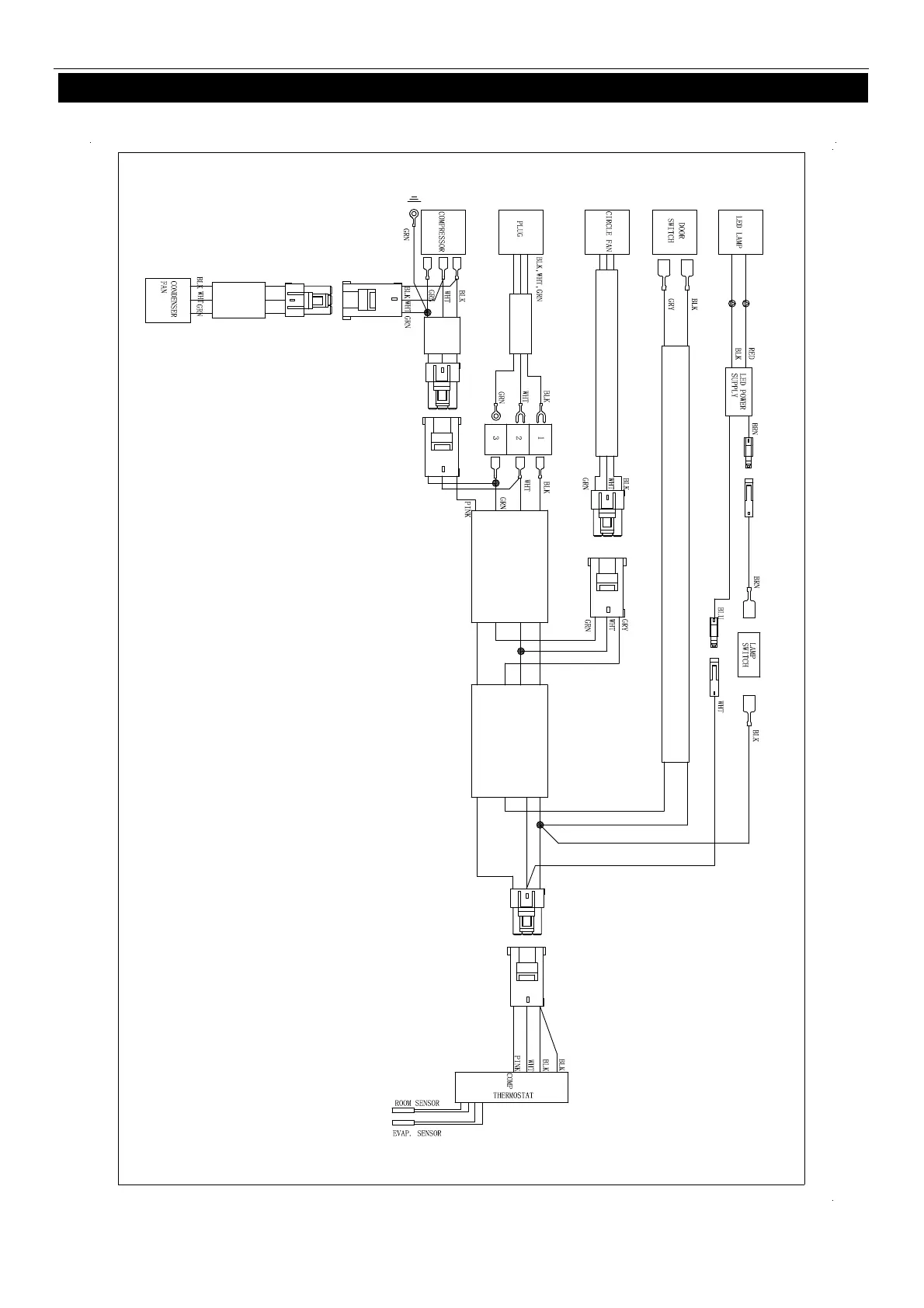
WIRING DIAGRAM
MODEL: KCHRI25R1GDR

Related product manuals