EasyManua.ls Logo

Kelvinator KCHUC23F - Page 15

Kelvinator KCHUC23F
24 pages
Print Icon
To Next Page IconTo Next Page
To Next Page IconTo Next Page
To Previous Page IconTo Previous Page
To Previous Page IconTo Previous Page
Loading...
Service and Installation Manual
15
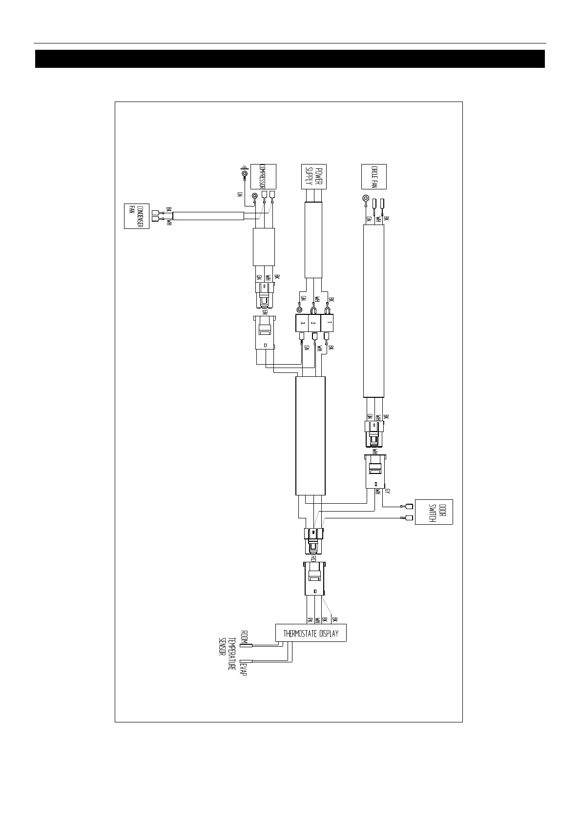
WIRING DIAGRAM
MODEL: KCHUC23R

Related product manuals