EasyManua.ls Logo

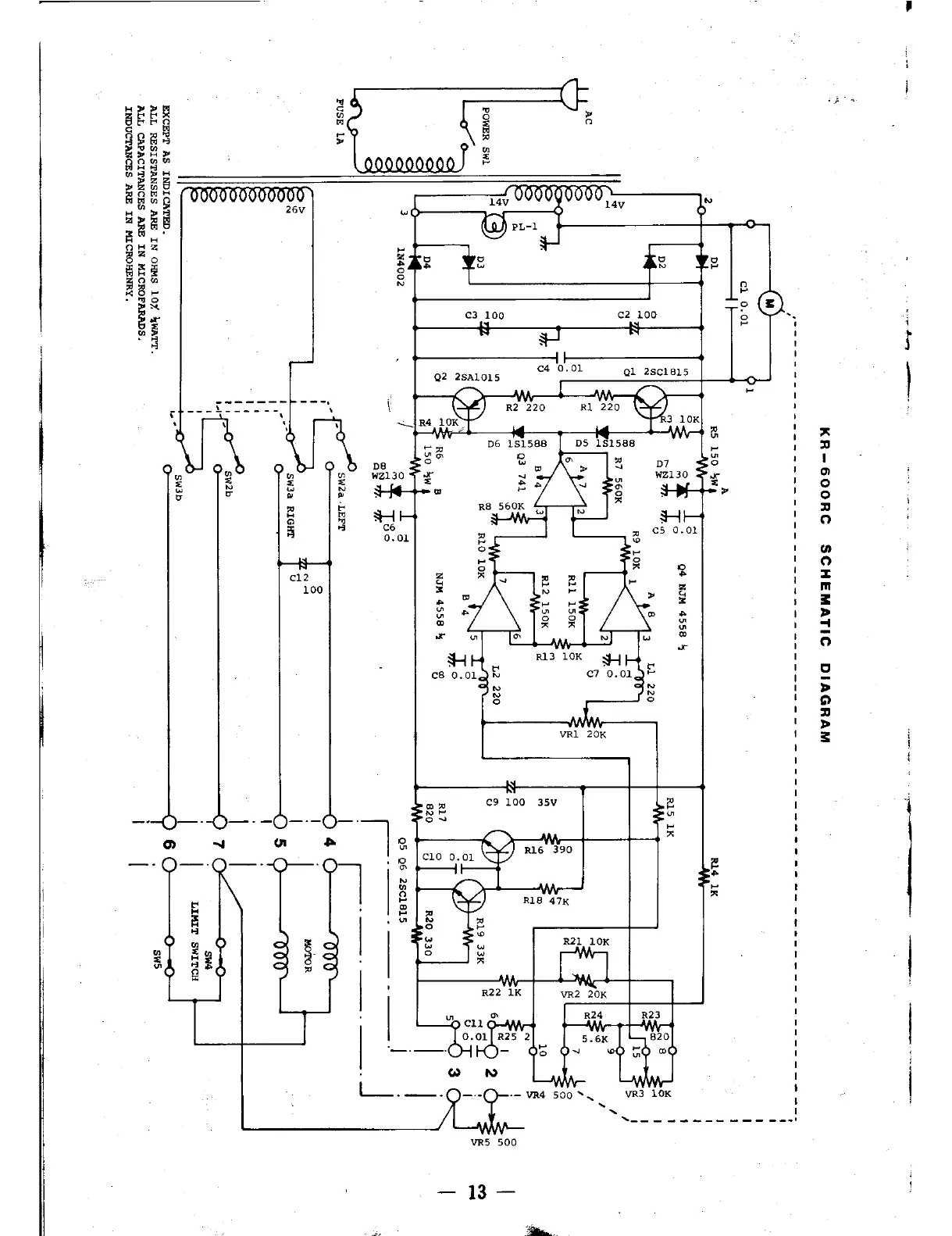
Kenpro KR-600RC - Schematic Diagram

Kenpro KR-600RC
16 pages
Print Icon
To Next Page IconTo Next Page
To Next Page IconTo Next Page
To Previous Page IconTo Previous Page
To Previous Page IconTo Previous Page
Loading...
x
!
I
o
o
o
!
o
o
o
I
It
3
D
I
o
I
D
o
t
D
3
3FFä
EepE
,89>
ägBä
36
oHz
oo
ttl
EHE
ix
9d
az
D8
w2130
ilF
c6
o. ol
I
ts
ää
o.0ll R25
2
C3 100
C2 1O0
c4
o.0I
eI
2sctsts
.\
p
7
*
z
I
{
R13
roK
$l F
c7 0.01
-13-
All manuals and user guides at all-guides.com