EasyManua.ls Logo

Keysight Technologies PNA-L N5230A - Page 11

Keysight Technologies PNA-L N5230A
40 pages
To Next Page IconTo Next Page
To Next Page IconTo Next Page
To Previous Page IconTo Previous Page
To Previous Page IconTo Previous Page
Loading...
11
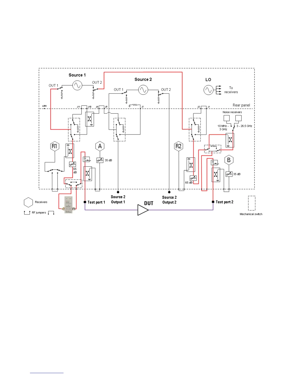
2-port PNA-X with noise figure hardware (shown with Options 200, 219, 224, and 029). On
4-port analyzers (Option 419 or 423) with Option 029, ports 1 and 2 are the same as shown here.

Related product manuals