EasyManua.ls Logo

Kicker Comp Series - Page 28

Kicker Comp Series
32 pages
Print Icon
To Next Page IconTo Next Page
To Next Page IconTo Next Page
To Previous Page IconTo Previous Page
To Previous Page IconTo Previous Page
Loading...
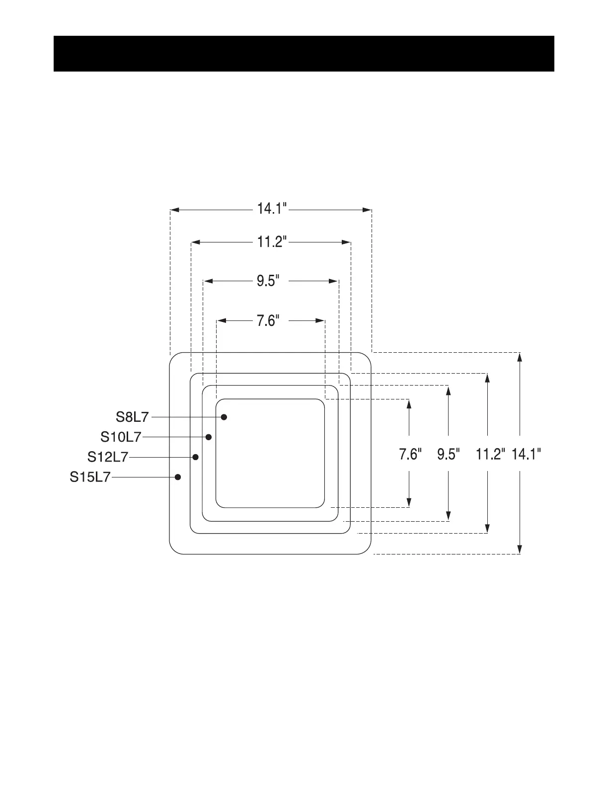
L7 Mounting Hole Cutouts
Kicker Technical Tips
Page 27
Vol. 1

Related product manuals