EasyManua.ls Logo

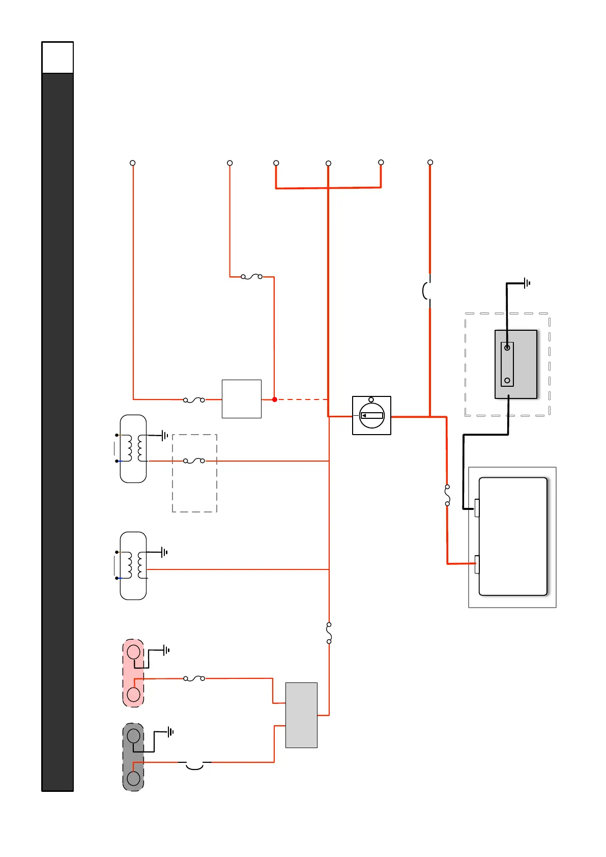
Kimberley KARAVAN 2021 - 12 V Electrical Circuits Overview; Main 12 V Circuit Diagram (1;8)

Kimberley KARAVAN 2021
120 pages
Print Icon
To Next Page IconTo Next Page
To Next Page IconTo Next Page
To Previous Page IconTo Previous Page
To Previous Page IconTo Previous Page
Loading...
81
©2021 Kimberley Kampers Manufacturing Pty Ltd
-
+
Battery
2021 Kimberley Karavan - 12V Electrical Circuits
Model: ALL | Date: 31.08.2021
40A Auto Reset
(Front box)
+
-
ANDERSON PLUG
Vehicle
(Grey)
ANDERSON PLUG
Solar Input Socket
(Red)
(If fitted)
+
-
50A Auto Reset
(Front box)
DC-DC
Charger
(If fitted)
Battery
Master
Isolator
(Front box)
SHUNT ‘SC301’
(See page 2)
X X
60A Fuse
(From Rooftop Solar)
S
30A Fuse
(Canopy - behind
console right light)
Power to SICOM
SPLITTER
(see page 2)
D
C
B
To Accessories
(see page 3)
E
To Electronic Brakes
(if fitted - See page 5)
AC IN
BATTERY
CHARGER
AC OUT
INVERTER
300A Master Fuse
(Front box)
Solar
Regulator
MPPT
1/8
For ‘Classic’
models only.
A
To SCQ25T Shunt ‘OUT 04’
(If fitted - see page 2)
To SHUNT ’SCQ25T’
or Tank Sensors
(see page 2)
30A Fuse
(Front box)
Rear Frame
50A Fuse
(Front box)
40A Fuse
(Rear Frame)