EasyManua.ls Logo

KING MAU - Page 9

KING MAU
21 pages
Print Icon
To Next Page IconTo Next Page
To Next Page IconTo Next Page
To Previous Page IconTo Previous Page
To Previous Page IconTo Previous Page
Loading...
MAU Installation Manual
Page
9
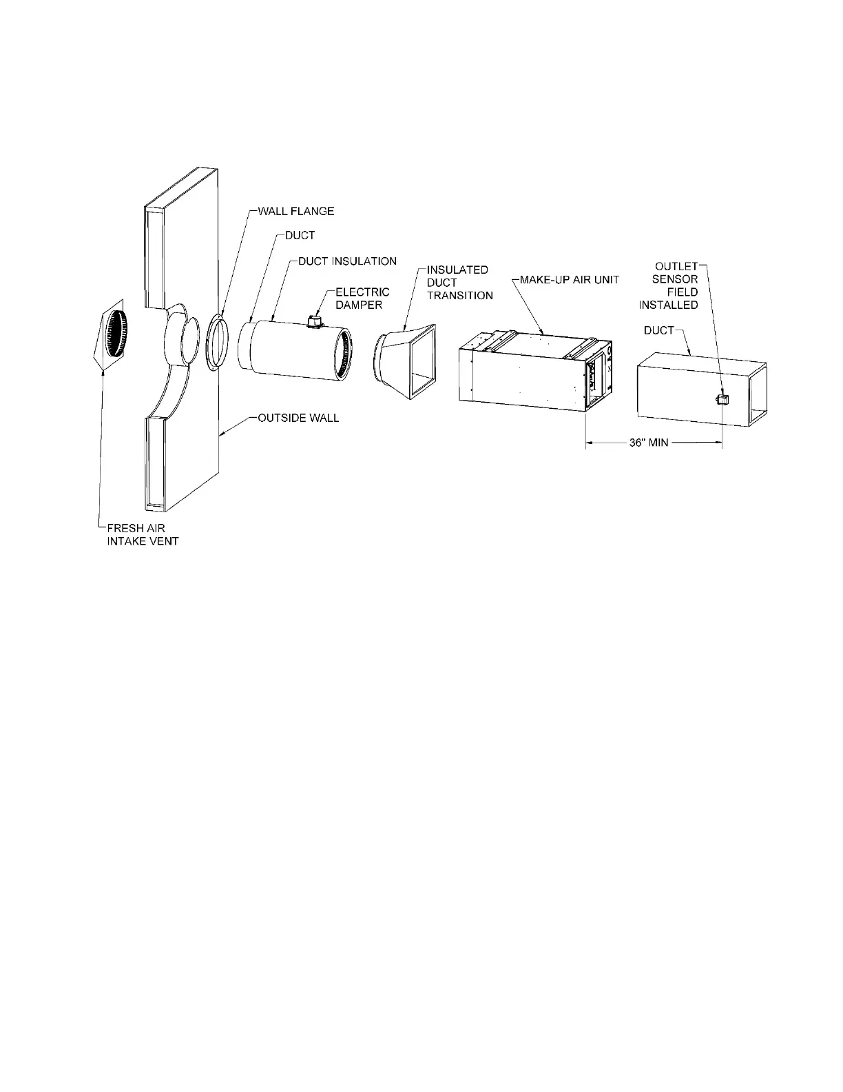
ILLUSTRATION OF DUCT SYSTEM COMPONENTS:
TYPICAL DUCTING INSTALLATION
The two most frequently used installation methods are independent installation and installation
connected to a forced air system.
DIRECT DUCTING INSTALLATION
The MAU can be installed to have its own dedicated outdoor fresh air duct system that is filtered,
pre-heated and then is distributed DIRECTLY to each room and hallway through register grills. In
this way, it acts independently to the primary heating system that could be hydronic, electric zonal
heat or a centralized HAVC system. When installed as a direct system, make sure the Temperature
rise is sufficient to bring adequate warm tempered air into the building. For example, in a cold
climate when the outside air is at 0F the Temperature rise would need to be at least 70F to warm
the air adequately before delivering it directly to the occupied space.