EasyManua.ls Logo

Kinroad 150 - Page 68

Default Icon
80 pages
Print Icon
To Next Page IconTo Next Page
To Next Page IconTo Next Page
To Previous Page IconTo Previous Page
To Previous Page IconTo Previous Page
Loading...
KINROAD 150 SERVICE MANUAL VERSION 1, DEC., 2005
69
W (White) 3 - 100 KΩ
Y (Yellow) 5 - 100 KΩ
R (Red)
G (Green) 5 - 100 KΩ
REGULAR RECTIFIER INSPECTION
Inspect if the regulate rectifier plug contacts well.
Measure the resistance value between every regulate rectifier terminal.
If the resistance value between the terminals is unusual, replace the regulate rectifier.
RESISTOR
RESISTOR RESISTANCE VALUE MEASUREMENT
Measure the resistance value between the resistor wire and the vehicle body. If it is normal when the actual
value is in the range of +/- 1Ω value marked on the diagram or the resistor; if not, it should be replaced.
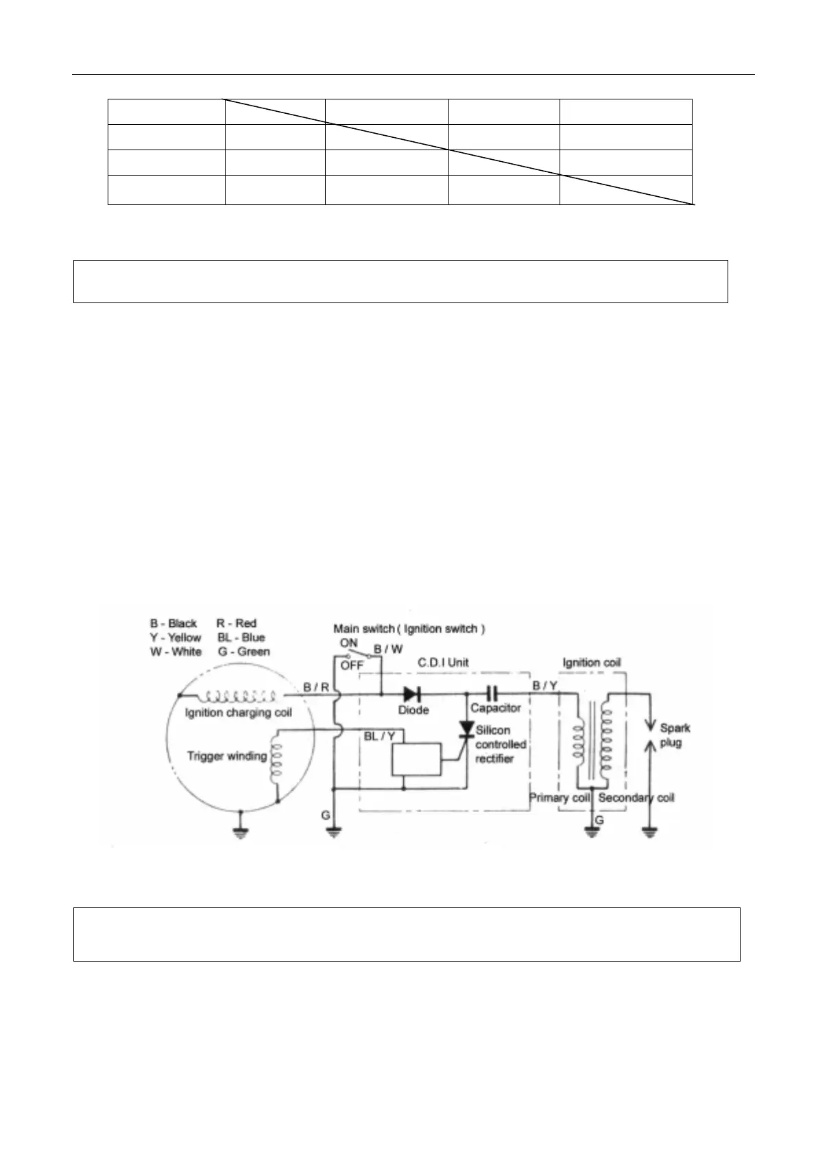
IGNITION SYSTEM INSPECTION AND SERVICING
The circuit working principle is shown in the picture.
IGNITION TIME INSPECTION
Remove the ignition timing hole cover (or remove the fan cover).
Rotate the generator rotor, and align the “F” mark on the motor with the crankcase timing ignition mark.
z When the main wiring—sub electric circuit condition is normal; Inspect the regulate rectifier.
z The CDI ignition system has already been adjusted in the factory, so there is no need to readjust
it. If inspecting ignition function is necessary, take following steps to inspect ignition timing.